Servicios Personalizados
Revista
Articulo
Indicadores
-
Citado por SciELO -
Accesos
Links relacionados
-
Similares en
SciELO
Compartir
Ingeniería agrícola y biosistemas
versión On-line ISSN 2007-4026versión impresa ISSN 2007-3925
Ing. agric. biosist. vol.8 no.2 Chapingo jul./dic. 2016 Epub 01-Sep-2020
https://doi.org/10.5154/r.inagbi.2016.03.002
Artículo de revisión
Exploración del subproducto de la nixtamalización, nejayote: un panorama
¹Instituto Politécnico Nacional, Unidad Profesional Interdisciplinaria de Biotecnología. Av. Acueducto s/n, col. Barrio La Laguna, Ticomán, Ciudad de México, C. P. 07340, MÉXICO.
2University of Chemistry and Technology Prague, Technická 5, 166 28 Prague 6, CZECH REPUBLIC.
La demanda de productos nixtamalizados ha incrementado la industrialización del maíz. El nejayote surge de la cocción alcalina del grano, y desafortunadamente contribuye en el deterioro ambiental tras ser vertido al alcantarillado público. Existe evidencia de que el tratamiento adecuado de este subproducto no sólo disminuye la contaminación, también es fuente de compuestos de valor agregado alto con potencial para aplicaciones tecnológicas. El objetivo de esta revisión fue proveer un panorama sobre las principales metodologías y desarrollos tecnológicos que se han implementado para explorar las propiedades físico-químicas del nejayote y proveerle un tratamiento o aplicación. Con el trabajo realizado se pudo detectar que la recuperación de materiales con valor agregado alto (polifenoles, carbohidratos, azúcares, gomas y componentes de calcio) puede ser utilizada en diversas áreas como la alimenticia, farmacéutica y biotecnológica. Además, se identificó que la obtención de dichos componentes se puede llevar a cabo mediante el acoplamiento de diversos bioprocesos (fermentación, filtración, centrifugación y decantación).
Palabras clave Zea mays; contaminante; tratamientos; valoración; uso industrial
The demand for nixtamalized products has broadened the industrialization of maize. The nejayote is a product of the alkaline cooking of grain, and unfortunately contributes to environmental deterioration after being dumped into the public sewer system. There is evidence that adequate treatment of this byproduct not only reduces pollution, but it is also a source of compounds with high added value with potential for technological applications. The objective of this review was to provide an overview of the main methodologies and technological developments which have been implemented to explore the physicochemical properties of nejayote and to assign a treatment or an application to it. With the work performed it was possible to detect that the recovery of materials with high added value (polyphenols, carbohydrates, sugars, gums and calcium components) can be used in various areas such as the food, pharmaceutical and biotechnological sectors. In addition, it was identified that the obtaining of these components can be carried out through the coupling of various bioprocesses (fermentation, filtration, centrifugation and decantation).
Keywords Zea mays; pollutant; treatments; valuation; industrial use
Introducción
El maíz es el cereal con mayor demanda de consumo en México, aproximadamente 23,200 Mt. Se estima que para el 2020 las cifras aumenten a 24,600 Mt (Secretaría de Agricultura, Ganadería, Desarrollo Rural, Pesca y Alimentación [SAGARPA], 2011); esto debido a la gran cantidad de productos que se derivan del mismo, tales como tortillas, totopos, tostadas, tacos, harinas (Valderrama-Bravo et al., 2012) y demás derivados del grano.
La nixtamalización es un proceso térmico-alcalino autóctono de México y efectuado en América central, el norte de Estados Unidos y parte de Europa y Asia (Valderrama-Bravo et al., 2012). Dicho proceso mejora las características nutricionales y sensoriales del maíz, ya que permite la remoción parcial del pericarpio (Valderrama-Bravo et al., 2013; Acosta-Estrada, Lazo- Vélez, Nava-Valdez, Gutiérrez-Uribe, & Serna-Saldívar, 2014), la gelificación del almidón y la hidrólisis de las fibras (Domínguez-Espinosa & Pacho-Carrillo, 2003).
Las condiciones a las que se somete el maíz durante la nixtamalización son de gran importancia, ya que la temperatura y la agitación tienen un efecto significativo en la remoción de las capas superficiales, así como en la adsorción del agua y el calcio (Ruiz-Gutiérrez et al., 2010). En dicho proceso, la acción del hidróxido de calcio genera dos productos: el nixtamal, que es el grano suave disponible para la elaboración de masa o productos derivados (Pflugfelder, Rooney, & Waniska, 1988), y el nejayote, que es el agua de cocimiento y cuyas propiedades físico-químicas resultan de los componentes presentes en el maíz (Acosta-Estrada et al., 2014).
Ciertas propiedades biológicas (actividad antioxidante) del nejayote se atribuyen a la presencia de compuestos bioactivos, tales como arabinoxilanos (AX) y polifenoles. Los primeros son polímeros de xilosa sustituida por un arabinofuranosil, los cuales están presentes en cereales y gramíneas sin celulosa (Mendis & Simsek, 2014). Los segundos fungen como vínculo estructural entre el pericarpio y el endospermo del grano (Castro-Muñoz & Yáñez-Fernández, 2015).
Se ha estimado que una planta procesadora de maíz, productora de nixtamal, con capacidad de 600 t·día-1, llega a generar entre 1,500 y 2,000 m3 de nejayote por día. Este efluente se considera contaminante debido a su pH alto (12 a 14) (Salmerón-Alcocer et al., 2003) y su elevada carga de materia orgánica (2,540 mg·L-1) (Valderrama-Bravo et al., 2012). Recientemente, el nejayote industrial se vierte en cuerpos de agua (ríos o lagos), en suelos o en el alcantarillado público, y pocas veces se le aplica algún tratamiento previo (Salmerón- Alcocer et al., 2003). Debido a sus propiedades físico- químicas (Cuadro 1), rara vez se ha intentado darle alguna aplicación al extracto.
Cuadro 1 Propiedades físico-químicas evaluadas del nejayote.
| Propiedad | Parámetro |
|---|---|
| Contenido total de sólidos (g·L-1) | 11.68 |
| Sólidos solubles totales (°Brix) | 1.53 |
| Carbón orgánico total (mg·L-1) | 2,984.10 |
| Demanda química de oxígeno (mg·L-1) | 25,000 - 30,000 |
| Polifenoles totales (mg ácido gálico·L-1) | 1,190 |
| pH | 12 - 14 |
| Densidad (kg·m-3) | 1,003.54 |
| Viscosidad (Pa·s) | 0.002301 |
| Nitrógeno libre (ppm) | 200 - 300 |
| Calcio (mg·L-1) | 1,526.21 |
| Humedad (%) | 97.72 |
| Cenizas (%) | 0.767 |
| Proteína cruda (%) | 7.42 |
| Grasa cruda (%) | 1.48 |
| Fibra cruda (%) | 19.3 |
| Carbohidratos (%) | 0.862 |
Adaptado de: Acosta-Estrada et al. (2014), Castro-Muñoz y Yáñez-Fernández (2015), González, Reguera, Figueroa, y Martínez (2003), Salmerón-Alcocer et al. (2003), Valderrama-Bravo et al. (2012) y Velasco-Martínez, Angulo, Vázquez-Couturier, Arroyo-Lara, y Monroy-Rivera (1997).
Los usos que se le han dado al nejayote están encaminados a la recuperación de componentes de valor agregado alto (González et al., 2003; Niño- Medina et al., 2009; Paz-Samaniego et al., 2015), como fuente de enriquecimiento para alimentos funcionales (Acosta-Estrada et al., 2014) o como medio de cultivo para crecimiento de bacterias (Blanco- Gámez, Sánchez-González, Valladares, & Olvera, 2008). También se ha indagado cómo tratar el efluente con materiales floculantes (Suarez-Meraz et al., 2016), mediante tecnología de membranas (Castro-Muñoz & Yáñez-Fernández, 2015) o sistemas biológicos (Pulido, Escárcega, & Durán-de Bazúa, 1987), para disminuir la acción contaminante que el extracto genera. Por lo anterior, el objetivo de esta revisión fue proveer un panorama sobre las principales metodologías y desarrollos tecnológicos que se han implementado para explorar las propiedades físico-químicas del nejayote y proveerle un tratamiento o aplicación.
Tratamientos realizados al nejayote
González-Martínez (1984) inició la búsqueda de alternativas para disminuir la contaminación ocasionada por el licor alcalino; para ello utilizó dos sistemas aerobios (reactor de cascada con película fija y con lodos activados, 24 y 17 L, respectivamente) y dos anaerobios (reactor de lecho empacado y de contacto, 11.5 y 9.1 L, respectivamente). El tiempo de operación de los reactores varió de 5 a 20 días. Los resultados demostraron que los reactores de lecho empacado y de lodo activado fueron los más eficientes en la remoción de la demanda química de oxígeno (DQO) (91 y 90 %, respectivamente) en los primeros cinco días de proceso; mientras que el menor porcentaje lo presentó el reactor de contacto (31 %). Con base en la eficiencia de cada proceso, el autor sugirió que el pH del nejayote debe neutralizarse antes de someterse al tratamiento para mejorar la remoción de la DQO.
Pulido et al. (1987) realizaron ensayos en reactores biológicos rotatorios de diversas capacidades (15, 50 y 250 L), cuya finalidad era tratar volúmenes mayores del efluente (2,500 L). Los resultados experimentales revelaron que el tratamiento, en cualquiera de los reactores utilizados, disminuye la carga de materia orgánica considerablemente en el nejayote (96.43, 54.62 y 70.97 %, respectivamente). Finalmente, con el uso de modelos matemáticos, estimaron que la reducción de carga orgánica puede alcanzar hasta 92.02 % (en 2,500 L). Lo anterior permite considerar a los sistemas biológicos capaces de disminuir la contaminación generada por el extracto, al menos a nivel laboratorio. Sin embargo, para que puedan ser viables faltaría realizar evaluaciones a escala industrial. Además, es importante considerar y estandarizar la composición del nejayote, ya que sus características y propiedades dependen, en gran medida, del tipo de maíz (Acosta-Estrada et al., 2014), y la capacidad degradativa de las bacterias depende directamente de la disponibilidad del sustrato.
Krishnan, Ríos, Salinas, y Durán-de Bazúa (1998) utilizaron dos tratamientos (primario y secundario) para evaluar su efecto en el nejayote. Cada tratamiento tenía tres diferentes percoladores empaquetados con cinco materiales posibles diferentes (grava, tierra, aserrín, corteza y musgo esfango) (Figura 1); donde el efluente tratado en cada percolador del tratamiento primario continuaba en la misma columna del secundario.
Krishnan et al. (1998) indicaron que en el tratamiento primario la columna A fue la que redujo mayormente el pH (4.6 %); mientras que la C removió más eficientemente la DQO (45 %) y fue la más eficiente para tratar el extracto. Por otro lado, en el tratamiento secundario, la columna A disminuyó el pH hasta 5.2 y la B redujo la DQO a 15,240 mg·L-1 mostrando los mejores resultados durante el proceso. De esta investigación se puede concluir que los procedimientos utilizados resultan ser una buena alternativa para el tratamiento del nejayote, ya que los materiales percoladores son de costo bajo y las columnas de tratamiento son de diseño fácil.
Reyes-Vidal, Aceves-Diez, Martínez-Silva, y Asaff (2012) proponen el uso de membranas de nanofiltración con el fin de recuperar ácidos fenólicos y carbohidratos fermentables, así como el reúso del agua dentro del mismo proceso de nixtamalización. Sus resultados indican la remoción de 83.4 % de los sólidos totales, 77.5 % de la DQO y 70 % de la demanda bioquímica de oxígeno (DBO).
Castro-Muñoz, Cerón-Montes, Barragán-Huerta, y Yáñez-Fernández (2015a) utilizaron un sistema de microfiltración (MF) a nivel laboratorio para tratar estas aguas de cocción. Para ello, emplearon una membrane de polisulfona con tamaño de poro de 0.2 μm, la cual redujo (en la corriente de permeado) 15.03 % los sólidos solubles totales, 72.77 % la turbidez, 11.36 % el contenido de calcio y 16.70 % el carbón orgánico total (Cuadro 2). El retenido mantuvo 14.70 % de los carbohidratos (de 104 a 106 Da) y 18.97 % de polifenoles totales (de 100 a 500 Da). La pérdida de los ácidos orgánicos pudo deberse al fenómeno de ensuciamiento que sufrió la membrana, principalmente por la obstrucción reversible ocasionada por los polisacáridos al saturarse los poros y al ensuciamiento por polarización, el cual se generó por el flujo dinámico utilizado (Choi, Zhang, Dionysiou, Oerther, & Sorial, 2005; Tejeda, Montesinos, & Guzmán, 1995).
Cuadro 2 Propiedades físico-químicas de los permeados de aguas residuales de la nixtamalización, antes y después del proceso con membranas.
| Parámetro | Nejayote | MF (0.2 μm) | UF (100 kDa) | Sistema integrado (MF-UF-UF)* |
|---|---|---|---|---|
| Sólidos solubles totales (°Brix) | 1.53 | 1.30 | 0.80 | 0.00 |
| Sólidos totales (%) | 1.34 | 1.02 | 0.80 | 0.17 |
| Carbón orgánico total (mg·L-1) | 2,984.10 | 2,485.5 | 1,966.40 | 381.99 |
| Turbidez | 538.09 | 146.51 | 6.70 | 3.78 |
| Calcio (mg·L-1) | 1,078.30 | 955.70 | 814.80 | -- |
| Carbohidratos totales (mg glucosa·mL-1) | 3.47 | 2.96 | 1.61 | 0.26 |
| Polifenoles totales (mg ácido gálico·L-1) | 1,190.74 | 964.81 | 950.00 | 951.85 |
MF: microfiltración, UF: ultrafiltración
*Sistema acoplado con tres membranas: 0.2 μm (MF), 100 kDa (UF) y 1 kDa (UF).
Adaptado de: Castro-Muñoz et al. (2015a, b) y Castro-Muñoz y Yáñez-Fernández (2015).
Castro-Muñoz, Orozco-Álvarez, Cerón-Montes, y Yáñez-Fernández (2015b) utilizaron un sistema de ultrafiltración (UF) con membrana de 100 kDa, denominado corte molecular nominal (NMWCO, por sus siglas en inglés). Dicho sistema permitió reducir los componentes presentes en el efluente, de manera que en el permeado los sólidos solubles totales se redujeron 20 %, la turbidez 95.40 %, el contenido de calcio 14.74 % y la carga orgánica, en términos de carbón orgánico total, 29.38 % (Cuadro 2); mientras que el retenido posterior a la UF concentró los carbohidratos 46.69 %.
Castro-Muñoz y Yáñez-Fernández (2015) emplearon un sistema acoplado de membranas, mejor conocido como “Sistema Integrado de Membranas”, definido como un diseño secuencial de operaciones de membrana. El objetivo del estudio era analizar el fraccionamiento del nejayote utilizando tres etapas de separación. El equipo estaba formado por tres membranas de polisulfona en combinación con fibra hueca (MF = 0.2 μm, UF = 100 kDa y 1 kDa). El diseño integrado de membranas logró reducir en el permeado los sólidos solubles totales (100 %), la turbidez (99.5 %), el carbón orgánico total (87.2 %) y concentró los polifenoles (79.94 %) (Cuadro 2); además, la corriente de retenido mantuvo 92.5 % de los carbohidratos. Los resultados mostraron que cada membrana es eficiente en la remoción de sólidos. De igual manera, por los rendimientos obtenidos en la recuperación de los componentes presentes, la metodología evaluada demostró un potencial alto para ser aplicada en el tratamiento del nejayote en la industria nixtamalera.
Como se mencionó, la nixtamalización produce un efluente altamente contaminante debido a la adición de Ca(OH)2 para realizar la hidrólisis superficial del grano. Carrera-Campechano et al. (2012) y Rodríguez- Méndez, Figueroa-Cárdenas, Ramos-Gómez, y Méndez- Lagunas (2013) proponen sustituir la sal de uso común por sales de calcio más débiles [CaCO3, CaCl2, CaSO4 o Ca(CH3CO2)2] para evaluar el efecto de éstas sobre el pH final. Aunque sus evaluaciones se enfocan en la composición química de los productos obtenidos (harina y tortillas), en relación con los polifenoles, antocianinas y antioxidantes, el pH final de los extractos hidrolizados (de maíz blanco) reportados por Carrera-Campechano et al. (2012) fueron 5.5, 6.4, 5.8 y 6.5, respectivamente, y los determinados por Rodríguez-Méndez et al. (2013) fueron 7.29, 4.92 y 4.28, respectivamente [no evaluaron Ca(CH3CO2)2]; mientras que el pH reportado con la sal habitual es de 11.95.
Rodríguez-Méndez et al. (2013) indicaron que los productos elaborados con las distintas sales mantienen mayormente las propiedades nutrimentales del maíz, debido a que la hidrólisis de los componentes del grano (endospermo y pericarpio) es menos agresiva en comparación con la tradicional. Aunque este proceso beneficia las características de los productos elaborados, limita las propiedades del nejayote (Cuadro 3); esto debido a que la dureza de las sales se refleja en el rompimiento estructural del grano (Ruiz-Gutiérrez et al., 2010) y en este caso, la mayoría de los componentes se mantienen en el nixtamal. A pesar de esto, el efluente obtenido presenta pH más neutro, convirtiéndolo en un residuo menos contaminante.
Cuadro 3 Composición química de los sólidos del nejayote proveniente de la nixtamalización con diferentes sales de calcio.
| Parámetro | Ca(OH)2 | CaCl2 | CaCO3 | CaSO4 | Ca(CH3CO2)2 |
|---|---|---|---|---|---|
| Cenizas (%) | 31.2 | 45.6 | 40.5 | 34.1 | 40.5 |
| Grasa (%) | 0.3 | 0.2 | 0.4 | 0.9 | 0.9 |
| Proteína (%) | 2.9 | 5 | 3.1 | 3.9 | 4.4 |
| Fibra dietética total (%) | 41.2 | 19.6 | 23.6 | 15.6 | 10.8 |
| Fibra soluble total (%) | 30.4 | 7.9 | 6.2 | 7.9 | 7.6 |
| Fibra dietética insoluble (%) | 10.8 | 11.6 | 17.4 | 7.8 | 3.2 |
Ca(OH)2: hidróxido de calcio, CaCl2: cloruro de calcio, CaCO3: carbonato de calcio, CaSO4: sulfato de calcio, Ca(CH3CO2)2: acetato de calcio.
Adaptado de Carrera-Campechano et al. (2012).
García-Zamora et al. (2015) realizaron un tratamiento enzimático con lacasa y quitosano (como adsorbente) para reducir la DQO y el contenido de ácido ferúlico del extracto alcalino. La oxidación enzimática del ácido ferúlico se llevó a cabo con 10 mL del extracto, 0.3025 nmoles de lacasa y 40 mL de tampón de fosfatos (pH 4.5 a 6), dejando reposar la mezcla durante 10 min; luego, se añadió 1 g de quitosano y se incubó por 24 h a 35 °C. Posteriormente, se adiciono NaOH hasta obtener un pH 6. Los precipitados se eliminaron mediante centrifugación (6,000 rpm por 5 min) y se lavaron con isopropanol al 50 %. Al término del experimento, observaron disminución de polifenoles totales (70 %) y de la DQO (78 %). Debido a que el proceso involucró el uso de una enzima, permite ser considerado viable para la reducción de compuestos contaminantes del efluente; además de aplicación potencial en el área alimenticia y farmacéutica.
Suarez-Meraz et al. (2016) utilizaron quitosano de alto y bajo peso molecular, expuestos a diferentes proporciones (23, 35, 47, 58, 70 y 117 mg) con el nejayote centrifugado a distintos pH (4.5 a 6.5) para eliminar los sólidos del extracto de la nixtamalización (46.523 g·L-1). Evaluaron la turbidez y el potencial zeta (ζ, capacidad de los coloides para adsorber iones y moléculas dipolares [Aguilar, Sáez, Lloréns, Soler, & Ortuño, 2002]) que presentaba cada suspensión. Demostraron que el máximo ζ para el quitosano de bajo peso molecular fue de -2.5 y para el otro de -0.7. Se removió 46 % de sólidos totales (utilizando 2.35 o 2.9 g de quitosano de bajo y alto peso molecular, respectivamente, por litro de nejayote a pH de 5.5) y con ambos polímeros se redujo la turbidez 80 %. Los valores del ζ indicaron que el quitosano es altamente encapsulante, ya que la aglomeración fue la máxima posible. El efluente no logró estar dentro de los límites permisibles de sólidos en aguas residuales (máximo 200 mg·L-1), tal como lo indica la norma oficial mexicana (NOM-001-SEMARNAT-1996, Secretaría de Medio Ambiente y Recursos Naturales [SEMARNAT], 1996), únicamente obtuvieron un extracto menos agresivo con el ambiente.
Principales aplicaciones del nejayote
La intención de usar el nejayote se reporta desde hace más de dos décadas. Velasco-Martínez et al. (1997) utilizaron los sólidos del extracto, obtenidos por sedimentación-centrifugación, en combinación con soya y sorgo como base de la alimentación de ganado avícola. Esto con la finalidad de evaluar el crecimiento de los animales durante siete semanas, para lo cual se les suministraron 3,200 kcal·kg-1 con base en formulaciones de diferentes proporciones de sólidos (2, 4 y 6 %, más un alimento comercial como control).
Velasco-Martínez et al. (1997) reportaron que el ganado que consumió el alimento comercial pesó en promedio 2.686 kg; mientras que el que se alimentó con las formulaciones pesó 2.696, 2.595 y 2.835 kg, respectivamente. Lo anterior demostró que la proteína y el calcio proporcionados por los sólidos juegan un papel importante en la nutrición, crecimiento y desarrollo del ganado. De igual manera, se reportó que los animales no tuvieron cambios físicos, ni la mortalidad se vio afectada en el periodo de tratamiento. El estudio deja evidencia de que los sólidos pueden ser utilizados como forraje en la alimentación de este tipo de ganado con beneficios no sólo ambientales sino de rendimiento debido a la ganancia de peso de los animales durante la crianza.
Domínguez-Espinosa y Pacho-Carrillo (2003) produjeron enzimas con actividad amilolítica al incubar Aspergillus awamori en el extracto de la nixtamalización; tales enzimas ayudaron a degradar el efluente. La fermentación inició con pH de 4.5 y se prolongó durante 100 h, propiciando la actividad amilolítica de 16 UI, lo que se traduce en la reducción de 42 % de los sólidos solubles y hasta 21 % de la DQO. Si bien el estudio contribuye al tratamiento del residuo industrial, también propone una planta bio-transformadora de nejayote con capacidad de 10 m3; la cual produciría 13.5 g de extracto enzimático con potencia de 82 UI·g-1 y 695 g de biomasa (con 18 % de proteína). Esto último como propuesta de forraje animal, cuya inversión inicial se recuperaría en dos años.
González et al. (2003) utilizaron el nejayote como medio aglutinante para formar aglomerados de carbón negro (CB). Analizaron las propiedades que presentaba el CB usando el efluente y otros aditivos (agua, alcohol furfuril [FA] y lignosulfonato de potasio [LSP]). Sus resultados mostraron que los pellets de nejayote tienen resistencia al agrietamiento similar a los generados con aditivos comerciales, además de conductividad eléctrica superior a los pellets fabricados con FA y muy similar a los de LSP (Cuadro 4). Lo anterior demuestra que a pesar de ser un material de desecho, el nejayote puede utilizarse como aglutinante no solo del CB, sino también de otros materiales con aplicaciones en industrias de cableado o aislantes. En este sentido, su uso como insumo representa una aplicación interesante en la industria de polímeros.
Cuadro 4 Propiedades eléctricas y físicas de los aglomerados de carbón negro.
| Aditivo | Densidad (g·cm-3) | Fuerza de agrietamiento (g·mm-1) | Conductividad eléctrica (Ω-1·cm-1) |
|---|---|---|---|
| Sin aditivo | 0.0613 | 40 | 0.25 |
| Comercial (NH-234) | 0.1055 | 50 | 0.44 |
| Lignosulfato de potasio | 0.1366 | 716 | 0.99 |
| Furfuril alcohol | 0.1594 | 660 | 0.39 |
| Agua | 0.0993 | 50 | 0.28 |
| Nejayote | 0.2818 | 649 | 0.73 |
Adaptado de González et al. (2003).
Salmerón-Alcocer et al. (2003) trataron biológicamente el nejayote con microorganismos aislados de suelo contaminado por el mismo efluente. Utilizaron un sistema de biorreactores en cascada triple (Figura 2) y emplearon el residuo como medio de cultivo para Paenibacillus amylolyticus, Pseudomonas putida y Acinetobacter spp. Los resultados demostraron disminución en la DQO de 28,000 a 3,612 ppm después del tratamiento; además, la DQO generada por el suministro de las (NH4)2SO4 y KH2PO4 (con 1 y 0.3 g·L-1, respectivamente), como enriquecimiento del medio, se redujo 87.3 y 87.6 %, respectivamente. Adicionalmente, por la naturaleza de las bacterias aisladas, pueden ser de interés para la industria del petróleo, ya que estos microorganismos se emplean para degradar hidrocarburos aromáticos y sus derivados (fenol, benceno, tolueno y xileno) (Riser- Roberts, 1998).

Figura 2 Sistema aeróbico de triple cascada para tratamiento de nejayote (adaptado de Salmerón-Alcocer et al., 2003).
Carvajal-Millán, Rascón-Chu, y Márquez-Escalante (2005) patentaron la obtención de goma de maíz a partir del residuo de la nixtamalización. El proceso consta de ocho etapas generales: 1) obtención del nejayote, 2) filtración del extracto, 3) centrifugación del filtrado, 4) acidificación del sobrenadante, 5) precipitación por reposo, 6) filtración de la goma, 7) lavado de la goma y 8) secado de la goma. La investigación sugiere el uso del residuo dentro de las 4 h después de realizado el proceso de nixtamalización. Con base en esta metodología, Niño-Medina, Carvajal-Millán, Gardea-Bejar, Rascón- Chu, y Márquez-Escalante (2007) caracterizaron goma obtenida a partir del efluente alcalino. De acuerdo con el estudio, obtuvieron AX con 75 % de pureza (p/p); de los cuales, 47 % se identificó como xilosa y 28 % como arabinosa. Debido a la capacidad gelificante de los AX, la formación de gel se realizó con la enzima lacasa al 4 % (p/v). En los resultados calificaron a la goma obtenida como material potencial en la industria alimentaria.
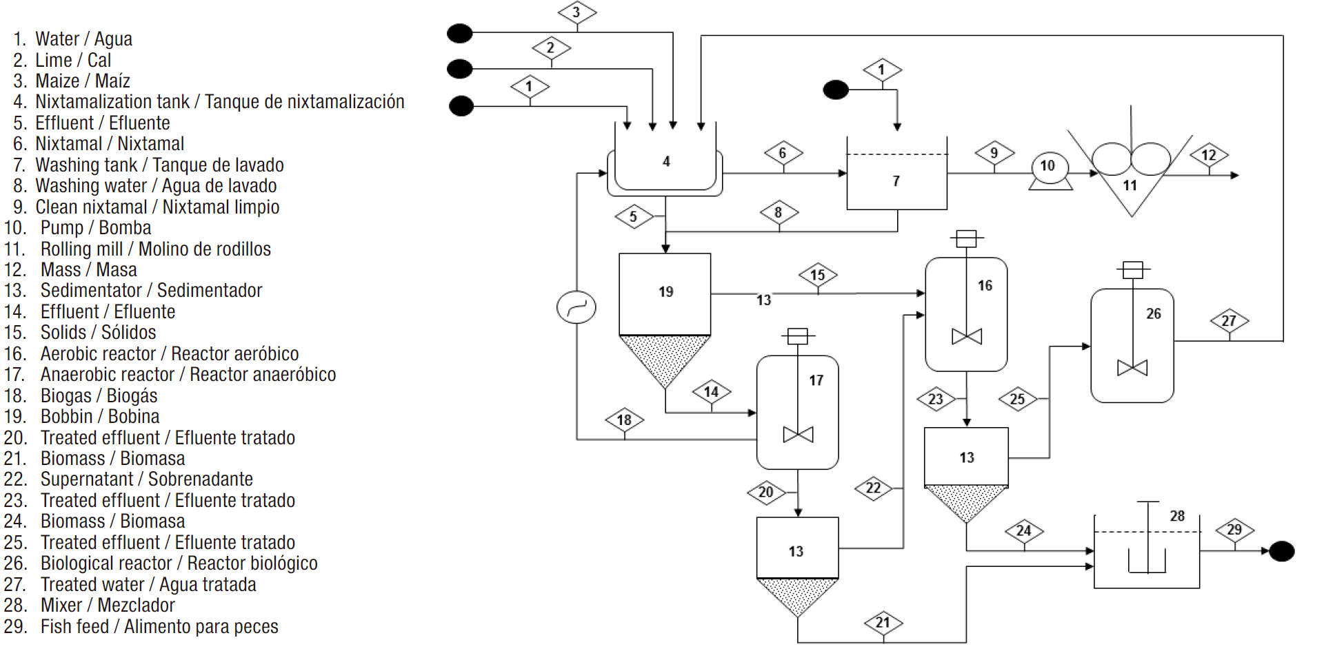
Durán-de Bazúa, Sánchez-Tovar, Hernández-Morales, y Bernal-González (2007) emplearon un sistema aeróbico para tratar el subproducto de plantas nixtamaleras de capacidad baja (0.5 a 50 m3·día-1) y un sistema acoplado anaeróbico-aeróbico para plantas con capacidad mayor (2,500 m3·día-1) (Figura 3); esto con la finalidad de obtener agua reutilizable en el mismo proceso y, al mismo tiempo, generar energía a partir del metano producido. Los autores reportaron que en plantas pequeñas el tratamiento era poco redituable, ya que el gasto de energía fue mayor. En la planta con capacidad mayor, la producción fue de 9.6 a 16.8 m3 de metano por tonelada de maíz, el cual se destinó a la generación de energía, 23 kg de residuos sólidos y 10.6 kg de biomasa, con los que se elaboraron pellets para alimento de peces. Además, el agua tratada se reusó.

Figura 3 Sistema anaeróbico-aeróbico para tratamiento de aguas residuales en plantas grandes (adaptado de Durán-de Bazúa et al., 2007).
Ferreira-Rolón, Ramírez-Romero, y Ramírez-Vives (2014) emplearon un reactor UASB de 1.9 L para tratar el agua residual proveniente de distintos molinos de maíz con el fin de producir metano a través de siete etapas. La mezcla se sometió a una sedimentación mecánica para retirar más de 50 % de sólidos iniciales; posteriormente se generaron dos sistemas para evaluar el efecto de burbujeo (CO2) en la precipitación del carbonato de calcio (propio del proceso de nixtamalización). El primero fue mediante el burbujeo directo en el sobrenadante obtenido de la sedimentación, y el segundo fue con el burbujeo en una mezcla de sobrenadante con lodos residuales (provenientes de una industria de alimentos), los cuales contenían 28.8 g de sólidos volátiles por litro.
Durán-de Bazúa, Sánchez-Tovar, Hernández-Morales, y Bernal-González (2007) emplearon un sistema aeróbico para tratar el subproducto de plantas nixtamaleras de capacidad baja (0.5 a 50 m3·día-1) y un sistema acoplado anaeróbico-aeróbico para plantas con capacidad mayor (2,500 m3·día-1) (Figura 3); esto con la finalidad de obtener agua reutilizable en el mismo proceso y, al mismo tiempo, generar energía a partir del metano producido. Los autores reportaron que en plantas pequeñas el tratamiento era poco redituable, ya que el gasto de energía fue mayor. En la planta con capacidad mayor, la producción fue de 9.6 a 16.8 m3 de metano por tonelada de maíz, el cual se destinó a la generación de energía, 23 kg de residuos sólidos y 10.6 kg de biomasa, con los que se elaboraron pellets para alimento de peces. Además, el agua tratada se reusó.
Ferreira-Rolón, Ramírez-Romero, y Ramírez-Vives (2014) emplearon un reactor UASB de 1.9 L para tratar el agua residual proveniente de distintos molinos de maíz con el fin de producir metano a través de siete etapas. La mezcla se sometió a una sedimentación mecánica para retirar más de 50 % de sólidos iniciales; posteriormente se generaron dos sistemas para evaluar el efecto de burbujeo (CO2) en la precipitación del carbonato de calcio (propio del proceso de nixtamalización). El primero fue mediante el burbujeo directo en el sobrenadante obtenido de la sedimentación, y el segundo fue con el burbujeo en una mezcla de sobrenadante con lodos residuales (provenientes de una industria de alimentos), los cuales contenían 28.8 g de sólidos volátiles por litro.
En ambos sistemas, la mayor eficiencia se mostró a los 35 min de burbujeo, siendo 15 % mayor el de lodos residuales (52.3 % de eficiencia). Posteriormente, los extractos se pasaron al reactor para la degradación anaerobia con lodos residuales (relación 1:0.4 v/v); en donde las primeras cuatro etapa del proceso, la alimentación se ajustó a diferentes cargas orgánicas volumétricas (COV) (1.8, 2.7, 1.5 y 0.9 g DQO·L-1·d-1, respectivamente). En las últimas tres etapas el reactor se alimentó con el sobrenadante de nejayote. La generación de metano en cada etapa fue diferente (1.54, 3.42, ˂1.05, 1.25, 1.96, ˃1.52 y ˃1.52 L·L-1·d-1, respectivamente), dependiendo directamente de la COV inicial.
Finalmente, el proceso logró la remoción de más de 90 % de la materia orgánica total, mostrando que cuando el nejayote se somete a un burbujeo previo con CO2 hasta 90 % del biogás producido es metanol. Con base en lo anterior, Ferreira-Rolón et al. (2014) proponen un sistema a escala que trate 3 m3 de nejayote por día, el cual promete 50 % de recuperación de sólidos y sedimentación del calcio, así como la generación de metano del 90 % del biogás total.
Ante los resultados, los últimos dos estudios exhiben utilidad para las empresas que pueden aprovechar los subproductos generados por el tratamiento, cuyos beneficios pueden ser: 1) tratamiento al residuo mediante la disposición del efluente y 2) remuneración por la generación de productos de uso potencial.
Blanco-Gámez et al. (2008) aislaron y caracterizaron bacterias de un medio de cultivo compuesto de nejayote. Demostraron que los microorganismos presentes eran bacilos gram positivos y tenían actividad catalítica. Aunado a ello, los resultados mostraron que las bacterias aisladas eran de 96 a 99 % similares a Bacillus megaterium; la cual es de importancia farmacéutica debido a que es productora de la enzima penicilina G acilasa con capacidad biocatalizadora en la producción de β-lactámicos semisintéticos (Nucci, Silva, Gomes, Giordano, & Cruz, 2005). Éstos son utilizados como antibióticos para eliminar bacterias gram positivas, interfiriendo con los peptidoglucanos que forman la pared celular y provocando la inhibición de la biosíntesis de la misma (Tortora-Gerard, Funke-Berdell, & Case- Christine, 2007; Voet & Voet, 2006); combatiendo así diversas infecciones. Además, los costos generados por el insumo, en la implementación de medios sintéticos, podrían minimizarse al utilizar nejayote.
Medina et al. (2009) y Paz-Samaniego et al. (2015) extrajeron los sólidos del nejayote para evaluar los compuestos AX y polifenoles presentes en el residuo. Paz-Samaniego et al. (2015) variaron el tiempo de nixtamalización para apreciar el efecto que tenía en la producción de los componentes de interés. Aunque utilizaron metodologías similares, Niño-Medina et al. (2009) obtuvieron valores superiores de rendimiento (81 % de AX) y de 20 a 30 veces más de ácido ferúlico (Cuadro 5).
Cuadro 5 Arabinoxilanos presentes en la goma de nejayote.
| Tipo de compuesto | Componente | Contenido | |
|---|---|---|---|
| Niño-Medina et al. (2009) | Paz-Samaniego et al. (2015) | ||
| Arabinoxilanos | Arabinosa (g·100 g-1 AX) | 32.00 | 0.9* 0.5** |
| Xilosa (g·100 g-1 AX) | 49.00 | ||
| Polifenoles | Ácido ferúlico (µg·mg-1 AX) | 0.23 | 0.012* 0.008** |
| Ácido di-ferúlico (µg·mg-1 AX) | 0.58 | -- | |
| Ácido tri-ferúlico (µg·mg-1 AX) | 0.30 | -- | |
AX: arabinoxilanos
*Resultado para hidrólisis alcalina de 24 horas.
**Resultado para hidrólisis alcalina de 4 horas.
La variación de resultados en ambos reportes se relaciona con la calidad de las materias primas (maíz y agente alcalino) usadas en la nixtamalización y las condiciones a las que se llevó a cabo el proceso. No obstante, por las características funcionales que poseen los AX se consideran importantes para la industria alimentaria como agentes estabilizantes, ya que proveen viscosidad, textura y estructura a los productos de panificación (Matos-Chamorro & Chambilla-Mamani, 2010). Además, los AX ferulados son una fuente importante de antioxidantes y fibra dietética, no sólo relevante en la fabricación pan y cerveza, sino también en la industria farmacéutica que ha demostrado el vínculo entre los antioxidantes y las enfermedades crónicas (Niño-Medina et al., 2010).
Gutiérrez-Uribe, Rojas-García, García-Lara, y Serna- Saldívar (2010) y Rojas-García, García-Lara, Serna- Saldívar, y Gutiérrez-Uribe (2012) extrajeron compuestos fenólicos de nejayote de seis variedades de maíz (maíz azul [BLU], maíz con alto contenido de carotenoides [HCA], maíz blanco [NWH], maíz amarillo [NYE], maíz con calidad proteica [QPM] y maíz rojo [RED]). Ambos estudios utilizaron los mismos parámetros de nixtamalización; sin embargo, Gutiérrez-Uribe et al. (2010) sugieren que el caldo alcalino de QPM presenta un contenido mayor de polifenoles totales (650 mg GAE·100 g-1), mientras que Rojas-García et al. (2012) posicionan en esta categoría al extracto de RED (87.98 mg GAE·g-1). Por otro lado, el ácido ferúlico está más presente en el extracto de QPM (3,539.2 mg·100 g-1 y 388.38 mg·g-1, respectivamente en cada estudio). Los resultados sugieren variación en las características propias del grano respecto del lugar de cultivo y la pureza del álcali usado en la nixtamalización. Éste último se relaciona directamente con la eficiencia de la hidrólisis de los componentes del maíz (Pappa, de Palacios, & Bressani, 2010).
Sánchez-González et al. (2011) aislaron dos microorganismos del nejayote (NJY2 y NJY4), mismos que por su morfología y características fisiológicas resultaron ser una especie de Bacillus. Al comparar su genoma con varias especies tuvieron similitud de casi 100 % con Bacillus flexus, microorganismos alcalófilos facultativos y halotolerantes. Posteriormente, estudiaron la cepa NJY2 y encontraron que poseía capacidad xilanolítica, ya que al secuenciar 10 familias de glicohidrolasas se identificaron enzimas endo-1,4- β-xilanasas, y esterasas; estas últimas sólo actuaban a pH por arriba de la neutralidad, específicamente en el ácido ferúlico o algunos otros ésteres. Además, determinaron que el calcio proveniente del proceso de nixtamalización aumentaba la producción de esterasas por la cepa NJY2.
Tanto la endo-1,4-β-xilanasa como la esterasa son importantes en la industria del papel ya que en conjunto remueven hasta 95 % de la lignina de la madera, lo que provee las características físicas finales al papel (Ponce-Noyola & Pérez-Avalos, 2002). Asimismo, en la industria alimentaria participan en la clarificación de jugos y vinos (Ponce-Noyola & Pérez-Avalos, 2002), en la obtención de saborizantes (vainillina) a partir del ácido ferúlico (Sánchez-González et al., 2011), y mejoran la textura y sabor de los productos de panificación (Ponce- Noyola & Pérez-Avalos, 2002).
Ramírez-Romero, Reyes-Velazquez, y Cruz-Guerrero (2013) emplearon nejayote de tres diferentes molinos de maíz como medio de cultivo de bacterias ácido lácticas (Lactobacillus rhamnosus, Lactobacillus casei y Lactobacillus helveticus) para generar probióticos con producción de bacteriocinas. Fermentaron 50 mL del sobrenadante de cada extracto durante 48 h a 37 °C. Evaluaron la actividad bactericida con Echerichia coli y Listeria innocua; las cuales se cultivaron individualmente en el sobrenadante de la fermentación por 3 h, 37 °C y 150 rpm. Observaron que las cepas crecieron principalmente en nejayote con azúcares reductores, proteína y carbohidratos (1.12, 17.6 y 81.25 %, respectivamente). La bacteria con mayor inhibición ante E. coli (10 %) y L. innocua (13 %) fue L. helveticus, lo que atribuyeron a las bacteriocinas desarrolladas en las cepas. Con ello, el estudio generó una alternativa de uso del nejayote como medio de crecimiento y desarrollo de microorganismos con capacidad biológica como barrera antimicrobiana a nivel tracto digestivo.
Ayala-Soto, Serna-Saldívar, García-Lara, y Pérez- Carrillo (2014) evaluaron el contenido de ácidos hidroxinámicos, composición de azúcares y capacidad antioxidante de los AX al ser extraídos del maíz: grano completo, pericarpio de dos tipos de maíz (resistente y susceptible a plagas) y nejayote. El mayor rendimiento de AX fue con el grano completo (20.9 %), con 2 % más que el nejayote. Con respecto al contenido de azúcares, el nejayote mostró concentración mayor de glucosa y galactosa (3.79 y 4.97 g·100 g-1 AX, respectivamente). El pericarpio de maíz resistente presentó mayor contenido total de polifenoles (350 mg GAE·100 g-1), 42 % más que el nejayote, concentración de ácidos hidroxicinámicos identificados (1.89 μg·mg-1 AX) y capacidad antioxidante (6 mM TE·100 g-1); este último 50 % superior al nejayote. Lo anterior indica una relación directa entre estos compuestos.
La investigación anterior muestra el potencial que tiene el desecho, ya que diversas fuentes de AX son utilizadas para la elaboración de productos alimenticios a base de maíz; sin embargo, el nejayote resulta ser un subproducto no valorado, sin tratamiento y sin valor comercial aparente. No obstante, los componentes fenólicos se consideran sustancias de valor agregado alto y parte de la fibra dietética, además son valorados por su propiedad prebiótica y su participación como inmunomoduladores ante enfermedades degenerativas como el cáncer (Mendis & Simsek, 2014).
Acosta-Estrada et al. (2014) emplearon los sólidos contenidos en el efluente (11.68 g·L-1) y gluten de trigo (relación 4:1) para elaborar productos de panificación. Observaron que las características sensoriales y nutritivas mejoraron en comparación con el pan sin aditivo. Lo anterior sugiere que los sólidos del nejayote pueden incorporarse al pan sin afectar su aceptabilidad y añadiendo una fuente importante de fibra dietética, calcio y antioxidantes. En este sentido, es relevante el uso de los sólidos como aditivo en la industria alimentaria; no sólo en la panificación, sino en productos que deseen elevar su contenido en fibra. En medicina pueden ayudar a reducir enfermedades cardiovasculares y prevenir varios tipos de cáncer gracias a la capacidad antioxidante del ácido ferúlico (Abbas, Sabir, Ahmad, Boligon, & Athayde, 2014).
Castro-Muñoz, Barragán-Huerta, y Yáñez-Fernández (2016) evaluaron la actividad antioxidante con 2,2-difenil-1-picrilhidrazil del extracto obtenido del “Sistema integrado de membranas” (Figura 4) al fraccionar el nejayote (Castro-Muñoz & Yánez- Fernández, 2015). El resultado se expresó en μmoles equivalentes de Trolox por litro de extracto (TEAC). La actividad antioxidante aumentó 105.26 % al final de la separación respecto de la determinada al inicio (0.76 TEAC); esto lo atribuyeron al corte molecular de las membranas. Cada etapa permitió la remoción de materia orgánica de diversos tamaños y el permeado de compuestos de pesos inferiores a 1 kDa, como los polifenoles. Los antioxidantes son considerados metabolitos secundarios de especies vegetales, se relacionan con la eliminación de radicales libres al actuar como agentes reductores o al inducir la generación de enzimas reductoras y participan en actividades anti-mutagénicas en mamíferos (López- Martínez et al., 2008). La recuperación de estas moléculas pueden enfocarse a la industria de alimentos (como agente nutracéutico) o farmacéutica.
La problemática actual
Los tratamientos realizados al efluente, generado como subproducto de un proceso tradicional en México, disminuyen en gran medida el efecto contaminante que éste posee, al reducir considerablemente el pH, carbono orgánico total, sólidos totales y DQO.
El uso de diferentes metodologías para tratar el nejayote contribuye con el ambiente a través de la recuperación de componentes que pueden ser reutilizados en el mismo (reúso de los componentes cálcicos) o en diferentes procesos, así como en la obtención de productos con valor agregado (Castro-Muñoz, Orozco-Álvarez, & Yáñez-Fernández, 2015c; Galanakis, Castro- Muñoz, Cassano, & Conidi, 2016).
La calidad del extracto está directamente relacionada con las propiedades iniciales de las materias primas (maíz, agua e hidróxido de calcio) y las condiciones del proceso de nixtamalización (Trejo-González, Feria-Morales, & Wild-Altamirano, 1982). El álcali, la temperatura y el tiempo de mezclado son algunos de los parámetros que presentan interacción con los insumos participantes, lo que resulta en extractos con mayor contenido de componentes (Escalante-Aburto et al., 2013; Fernández-Muñoz et al., 2006; Ruiz-Gutiérrez et al., 2010).
otro lado, el porcentaje de pureza de los componentes obtenidos del nejayote depende directamente de los métodos utilizados para extraerlos, ya sean físicos (centrifugación, evaporación, sedimentación o filtración), químicos (solventes) o biológicos (enzimas, microorganismos o reactores). Las condiciones de operación durante cada proceso proveen características específicas en los extractos finales, mismas que pueden ser aprovechables por diversas industrias del área alimentaria (humana y animal), farmacéutica, médica, dedicadas a la construcción o a la producción de energía eléctrica (Acosta-Estrada et al., 2014; Durán-de Bazúa et al., 2007; González et al., 2003).
Por último, las metodologías descritas proveen alternativas para tratar un residuo industrial sin algún valor comercial y generar productos u obtener compuestos con utilidad económica.
Conclusiones
La presente revisión mostró el estado del arte de estudios enfocados al tratamiento del subproducto de la nixtamalización. Aunque se debe estudiar con mayor detenimiento, el nejayote ha sido propuesto como materia prima en la obtención y elaboración de productos; además, ha sido utilizado como sustrato en el cultivo de diferentes cepas bacterianas de interés biotecnológico.
Con base en el análisis, las metodologías mostradas resultan ser viables para generar aplicaciones tecnológicas, que ayuden a recuperar componentes de valor agregado alto como polifenoles, carbohidratos, azúcares, gomas y componentes de calcio, de interés en el área alimenticia, farmacéutica y biotecnológica. Además, su incorporación como materia prima en la industria de los polímeros podría incrementar la tasa de degradación de los productos plásticos.
Si bien, los trabajos aquí presentados permitieron conocer las tecnologías usadas (fermentación, filtración, centrifugación y decantación) para tratar el nejayote con el fin de disminuir su impacto ambiental, la importancia biotecnológica radica en la exposición de compuestos posibles a obtener. Por ello, las perspectivas de uso del nejayote recaen en el empleo de los componentes extraídos (polifenólicos principalmente), tales como producción de alimentos con contenido alto de nutraceúticos (al proveer compuestos antioxidantes), así como la generación de nuevas formulaciones farmacéuticas.
Agradecimientos
Agradecemos al Consejo Nacional de Ciencia y Tecnología (CONACyT), al Instituto Politécnico Nacional por el financiamiento otorgado y a la Agencia Ejecutiva en el ámbito Educativo, Audiovisual y Cultural (EACEA, por sus siglas en inglés) por la beca doctoral de Roberto Castro-Muñoz en el marco del programa Erasmus Mundus Doctorado en Ingeniería de Membranas (EUDIME).
REFERENCIAS
Abbas, S. R., Sabir, S. M., Ahmad, S. D., Boligon, A. A., & Athayde, M. L. (2014). Phenolic profile, antioxidant potential and DNA damage protecting activity of sugarcane (Saccharum officinarum). Food Chemistry, 147, 10-16. doi: 10.1016/j.foodchem.2013.09.113 [ Links ]
Acosta-Estrada, B. A., Lazo-Vélez, M. A., Nava-Valdez, Y., Gutiérrez-Uribe, J. A., & Serna-Saldívar, S. O. (2014). Improvement of dietary fiber, ferulic acid and calcium contents in pan bread enriched with nejayote food additive from with maize (Zea mays). Journal of Cereal Science, 60(1), 264-269. doi: 10.1016/j.jcs.2014.04.006 [ Links ]
Aguilar, M. I., Sáez, J., Lloréns, M., Soler, A., & Ortuño, J. F. (2002). Tratamiento físico-químico de aguas residuales. Coagulación-f loculación. Murcia, España: Servicio de Publicaciones. [ Links ]
Ayala-Soto, F., Serna-Saldívar, S. O., García-Lara, S., & Pérez-Carrillo, E. (2014). Hydroxycinnamic acids, sugar composition and antioxidant capacity of arabinoxylans extracted from different maize fiber sources. Food Hydrocolloids, 35, 471-475. doi: 10.1016/j. foodhyd.2013.07.004 [ Links ]
Blanco-Gámez, E. A., Sánchez-González, E. A., Valladares, M. N., & Olvera, C. (2008). Identificación de microorganismos aislados del nejayote. Revista salud pública y nutrición, 13, 1-5. [ Links ]
Carrera-Campechano, E. M., Figueroa-Cárdenas, J. D., Arámbula-Villa, G., Martínez-Flores, H., Jiménez- Sandoval, S. J., & Luna-Bárcenas, G. (2012). New ecological nixtamalisation process for tortilla production and its impact on the chemical properties of whole corn flour and wastewater effluents. International Journal of Food Science and Technology, 47(3), 564-571. doi: 10.1111/j.1365-2621.2011.02878.x [ Links ]
Carvajal-Millán, E., Rascón-Chu, A., & Márquez-Escalante, J. A. (2005). Método para la obtención de goma de maíz a partir del líquido residual de la nixtamalización del grano de maíz. Mexican Patent PA/a/2005/008124. [ Links ]
Castro-Muñoz, R., Barragán-Huerta, B. E., & Yáñez- Fernández, J. (2016). The use of nixtamalization waste waters clarified by ultrafiltration for production of a fraction rich in phenolic compounds. Waste and Biomass Valorization, 7(5), 1167-1176. doi: 10.1007/s12649-016-9512-6 [ Links ]
Castro-Muñoz, R., Cerón-Montes, G. I., Barragán-Huerta, B. E., & Yáñez-Fernández, J. (2015a). Recovery of carbohydrates from nixtamalization wastewaters (nejayote) by ultrafiltration. Revista Mexicana de Ingeniería Química, 14(3), 735-744. Retrieved from http://www.redalyc.org/pdf/620/62043088014.pdf [ Links ]
Castro-Muñoz, R., Orozco-Álvarez, C., Cerón-Montes, G. I., & Yáñez-Fernández, J. (2015b). Charaterization of the microfiltration process for the treatment of nixtamalization wastewaters. Ingeniería Agrícola y Biosistemas, 7(1), 23-34. doi: 10.5154/r.inagbi.2015.03.001 [ Links ]
Castro-Muñoz, R., Orozco-Álvarez, C., & Yáñez-Fernández, J. (2015c). Recovery of bioactive compounds from food processing wastewaters by ultra and nanofiltration: A review. Advances in Bioresearch, 6(3), 152-158. doi: 10.15515/abr.0976-4585.6.3.152158 [ Links ]
Castro-Muñoz, R., & Yáñez-Fernández, J. (2015). Valorization of nixtamalization wastewaters (nejayote) by integrated membrane process. Food and Bioproducts Processing, 95, 7-18. doi: 10.1016/j.fbp.2015.03.006 [ Links ]
Choi, H., Zhang, K., Dionysiou, D. D., Oerther, D. B., & Sorial, G. A. (2005). Effect of permeate flux and tangential flow on membrane fouling for wastewater treatment. Separation and Purification Technology, 45(1), 68-78. doi: 10.1016/j.seppur.2005.02.010 [ Links ]
Domínguez-Espinosa, R., & Pacho-Carrillo, D. (2003). Efluentes de la industrialización del maíz: ¿contaminante o recurso valioso? Revista de la Universidad Autónoma de Yucatán, 54-63. Retrieved from http://www.cirsociales.uady.mx/revUADY/pdf/227/ru2277.pdf [ Links ]
Durán-de Bazúa, C., Sánchez-Tovar, S. A., Hernández-Morales, M. R., & Bernal-González, M. (2007). Use of Anaerobic- Aerobic Treatment Systems for Maize Processing Installations: Applied Microbiology in Action. Communicating Current Research and Educational Topics and Trends in Applied Microbiology, 1-10. Retrieved from http://www.formatex.org/microbio/pdf/Pages3-12.pdf [ Links ]
Escalante-Aburto, A., Ramírez-Wong, B., Torres-Chávez, P. I., Barrón-Hoyos, J. M., Figueroa-Cárdenas, J. D., & López- Cervantes, J. (2013). The nixtamalization process and its effect on anthocyanin content of pigmented maize, a review. Revista Fitotecnia Mexicana, 36(4), 429-437. Retrieved from http://www.revistafitotecniamexicana.org/documentos/36-4/8a.pdf [ Links ]
Fernández-Muñoz, J. L., San Martín-Martínez, E., Díaz- Góngora, J. A. I., Calderón, A., Alvarado-Escobar, A., Ortiz-Cárdenas, H., & Leal-Pérez, M. (2006). Steeping time and cooking temperature dependence of calcium ion diffusion during microwave nixtamalization of corn. Journal of Food Engineering, 76, 568-572. doi: 10.1016/j.jfoodeng.2005.06.004 [ Links ]
Ferreira-Rolón, A., Ramírez-Romero, G., & Ramírez-Vives, F. (2014). Aumento de la actividad metanogénica en los lodos granulares, precipitando calcio en el nejayote mediante el burbujeo de CO2. Revista Mexicana de Ingeniería Química , 13(2), 517-525. Retrieved from http://www.scielo.org.mx/pdf/rmiq/v13n2/v13n2a16.pdf [ Links ]
Galanakis, C. M., Castro-Muñoz, R., Cassano, A., & Conidi, C. (2016). Recovery of high-added-value compounds from food waste by membrane technology. In: Figoli, A., Cassano, A., & Basile, A. (Eds.), Membrane technologies for biorefining (pp. 189-210). Reino Unido: Elsevier. doi: 10.1016/B978-0-08-100451-7.00008-6 [ Links ]
García-Zamora, J. L., Sánchez-González, M., Lozano, J. A., Jáuregui, J., Zayas, T., Santacruz, V., Hernández, F., & Torres, E. (2015). Enzymatic treatment of wastewater from the corn tortilla industry using chitosan as an adsorbent reduces the chemical oxygen demand and ferúlico acid content. Process Biochemistry, 50, 125-133. doi: 10.1016/j.procbio.2014.10.012 [ Links ]
González, R., Reguera, E., Figueroa, J. M., & Martínez, J. L. (2003). Study of the Influence of nejayote and other additives on the cohesive strength and electric properties of black agglomerates. Journal of Applied Polymer Science, 90(14), 3965-3972. doi: 10.1002/ app.13098 [ Links ]
González-Martinez, S. (1984). Biological treatability of the wastewaters from the alkaline cooking of maize (Indian corn). Environmental Technology Letters, 5(1-11), 365-372. doi: 10.1080/09593338409384287 [ Links ]
Gutiérrez-Uribe, J. A., Rojas-García, C., García-Lara, S., & Serna-Saldívar, S. O. (2010). Phytochemical analysis of wastewater (nejayote) obtained after lime-cooking of different types of maize kernels processed into masa for tortillas. Journal of Cereal Science , 52(3), 410-416. doi: 10.1016/j.jcs.2010.07.003 [ Links ]
Krishnan, R., Ríos, R., Salinas, N., & Durán-de Bazúa, C. (1998). Treatment of maize processing industry wastewater by percolating columns. Environmental Technology, 19(4), 417-424. doi: 10.1080/09593331908616697. [ Links ]
López-Martínez, L. X., Oliart-Ros, R. M., Valerio-Alfaro, G., Chen-Hsien, L., Parkin, K. L., & García, H. S. (2008). Antioxidant activity, phenolic compounds and anthocyanins content of eighteen strains of Mexican maize. LWT-Food Science and Technology, 42(6), 1187-1192. doi: 10.1016/j.lwt.2008.10.010 [ Links ]
Matos-Chamorro, A., & Chambilla-Mamani, E. (2010). Importancia de la fibra dietética, sus propiedades funcionales en la alimentación humana y en la industria alimentaria. Revista de Investigación en Ciencia y Tecnología de Alimentos, 1(1). [ Links ]
Mendis, M., & Simsek, S. (2014). Arabinoxylans and human health. Food Hydrocolloids , 42, 239-243. doi: 10.1016/j.foodhyd.2013.07.022 [ Links ]
Niño-Medina, G., Carvajal-Millán, E., Gardea-Bejar, A., Rascón-Chu, A., & Márquez-Escalante, J. A. (2007). Caracterización composicional, fisicoquímica y funcional de una goma de maíz recuperada del nejayote. XVII Congreso Nacional de Biotecnología y Bioingeniería. [ Links ]
Niño-Medina, G., Carvajal-Millán, E., Lizardi, J., Rascon-Chu, A., Márquez-Escalante, J. A., Gardea, A., Martínez- López, A. L., & Guerrero, V. (2009). Maize processing waste water arabinoxylans: Gelling capability and cross-linking content. Food Chemistry , 115(4), 1286-1290. doi: 10.1016/j.foodchem.2009.01.046 [ Links ]
Niño-Medina, G., Carvajal-Millán, E., Lizardi, J., Rascon-Chu, A., Márquez-Escalante, J. A., Guerrero, V., Guerrero, V., & Salas-Muñoz, E. (2010). Feruloylated arabinoxylans and arabinoxylan gels: structure, sources and aplications. Phytochemistry Reviews, 9(1), 111-120. doi: 10.1007/s11101-009-9147-3 [ Links ]
Nucci, E. R., Silva, R. G., Gomes, T. C., Giordano, R. C., & Cruz, J. G. (2005). A fuzzy logic algorithm for identification of the harvesting threshold during PGA production by Bacillus megaterium. Brazilian Journal of Chemical Engineering, 22(4), 521-527. doi: 10.1590/S0104- 66322005000400004 [ Links ]
Pappa, M. R., de Palacios, P. P., & Bressani, R. (2010). Effect of lime and wood ash on the nixtamalization of maize and tortilla chemical and nutritional characteristics. Plant Foods for Human Nutrition, 65, 130-135. doi: 10.1007/s11130-010-0162-8 [ Links ]
Paz-Samaniego, R., Carvajal-Millan, E., Brown-Bojorquez, F., Rascón-Chu, A., López-Franco, Y. L., Sotelo-Cruz, N., & Mendoza, J. (2015). Gelation of arabinoxylans from maize wastewater-effect of alkaline hydrolysis conditions on the gel rheology and microstructure. Wastewater Treatment Engineering, 101-114. doi: 10.5772/61022 [ Links ]
Pflugfelder, R. L., Rooney, L. W., & Waniska, R. D. (1988). Dry matter losses in commercial corn masa production. Cereal Chem, 65(2), 127-132. Retrieved from http://www.aaccnet.org/publications/cc/backissues/1988/Documents/65_127.pdf [ Links ]
Ponce-Noyola, T., & Pérez-Avalos, O. (2002). Celulasas y xilanasas en la industria. Avance y Perspectiva, 21, 273-277. [ Links ]
Pulido, R., Escárcega, C., & Durán-de Bazúa, C. (1987). Modelo cinético para reactores biológicos rotatorios usados en el tratamiento aerobio de efluentes líquidos de la industria del maíz. Tecnología, Ciencia y Educación, 2(1), 15-24. Retrieved from http://www.imiq.org/wp-content/uploads/2012/02/26.pdf [ Links ]
Ramírez-Romero, G., Reyes-Velazquez, M., & Cruz- Guerrero, A. (2013). Estudio del Nejayote como medio de crecimiento de probióticos y producción de bacteriocinas. Revista Mexicana de Ingeniería Química , 12(2), 463-471. Retrieved from http://www.redalyc.org/articulo.oa?id=62029966009 [ Links ]
Reyes-Vidal, M. Y., Aceves-Diez, Á., Martínez-Silva, A., & Asaff, A. (2012). Investigación, desarrollo tecnológico e innovación para el cuidado y reúso del agua. Revista de Estudios Sociales. 2, 203-216. [ Links ]
Riser-Roberts, E. (1998). Remediation of petroleum contaminated soils: biological, physical and chemical processes. Boca Raton, Florida: Lewis Publishers. [ Links ]
Rodríguez-Méndez, L. I., Figueroa-Cárdenas, J. D., Ramos- Gómez, M., & Méndez-Lagunas, L. L. (2013). Nutraceutical properties of flour and tortillas made with an ecological nixtamalization process. Journal of Food Science, 78(10), 1529-1534. doi: 10.1111/1750- 3841.12241 [ Links ]
Rojas-García, C., García-Lara, S., Serna-Saldívar, S. O., & Gutiérrez-Uribe, J. A. (2012). Chemopreventive effects of free and bound phenolics associated to steep waters (nejayote) obtained after nixtamalization of different maize types. Plant Foods for Human Nutrition , 67(1), 94- 99. doi: 10.1007/s11130-011-0272-y [ Links ]
Ruiz-Gutiérrez, M. G., Quintero-Ramos, A., Meléndez-Pizarro, C. O., Lardizábal-Gutiérrez, D., Márquez-Meléndez, R., & Talamás-Abbud, R. (2010). Changes in mass transfer, thermal and physicochemical properties during nixtamalization of corn with and without agitation at different temperatures. Journal of Food Engineering , 98(1), 76-83. doi: 10.1016/j.jfoodeng.2009.12.010 [ Links ]
Salmerón-Alcocer, A., Rodríguez-Mendoza, N., Pineda- Santiago, V., Cristiani-Urbina, E., Juárez-Ramírez, C., Ruiz-Ordaz, N., & Galíndez-Mayer, J. (2003). Aerobic treatment of maize-processing wastewater (nejayote) in a single-stream multi-stage bioreactor. Journal of Environmental Engineering and Science, 2(5), 401-406. doi: 10.1139/S03-046 [ Links ]
Sánchez-González, M., Blanco-Gámez, A., Escalante, A., Valladares, A. G., Olvera, C., & Parra, R. (2011). Isolation and characterization of new facultative alkaliphilic Bacillus f lexus strains from maize processing waste water (nejayote). Letters in Applied Microbiology, 54(4), 1-7. doi: 10.1111/j.1472-765X.2011.03021.x [ Links ]
Secretaría de Agricultura, Ganadería, Desarrollo Rural, Pesca y Alimentación (SAGARPA). (2011). Perspectivas de largo plazo para el sector agropecuario de México 2011- 2020. México: Autor. Retrieved from http://www.sagarpa.gob.mx/agronegocios/Documents/estudios_economicos/escenariobase/perspectivalp_11-20.pdf [ Links ]
Suarez-Meraz, K. A., Ponce-Vargas, S. M., López-Maldonado, J. T., Cornejo-Bravo, J. M., Oropeza-Guzmán, M. T., & López-Maldonado, E. A. (2016). Eco-friendly innovation for nejayote coagulation-flocculation process using chitosan: Evaluation through zeta potential measurements. Chemical Engineering Journal, 284, 536-542. doi: 10.1016/J.CEJ.2015.09.026 [ Links ]
Tejeda, M. A., Montesinos, C. R. M., & Guzmán, Z. R. (1995). Bioseparaciones. Hermosillo Sonora, México. Editorial Unison. [ Links ]
Tortora-Gerard, J., Funke-Berdell, R., & Case-Christine, L. (2007). Introducción a la Microbiología. Buenos Aires, Argentina: Editorial Médica Panamericana. [ Links ]
Trejo-González, A., Feria-Morales, A., & Wild-Altamirano, C. (1982). The role of lime in the alkaline treatment of corn of tortilla preparation. Advances in Chemistry, 198, 245-263. doi: 10.1021/ba-1982-0198.ch009 [ Links ]
Valderrama-Bravo, C., Gutiérrez-Cortez, E., Contreras- Padilla, M., Rojas-Molina, I., Mosquera, J. C., Rojas- Molina, A., Beristain, F., & Rodríguez-García, M. E. (2012). Constant pressure filtration of lime water (nejayote) used to cook kernels in maize processing. Journal of Food Engineering , 110(3), 478-486. doi: 10.1016/j. jfoodeng.2011.12.018 [ Links ]
Valderrama-Bravo, C., Gutiérrez-Cortez, E., Contreras- Padilla, M., Oaxaca-Luna, A., del Real-López, A., Espinosa-Arbelaez, D. G., & Rodríguez-García, M. E. (2013). Physic-mechanic treatment of nixtamalization byproduct (nejayote). Journal of Food, 11(S1), 75-83. doi: 10.1080/19476337.2013.781680 [ Links ]
Velasco-Martínez, M., Angulo, O., Vázquez-Couturier, D. L., Arroyo-Lara, A., & Monroy-Rivera, J. A. (1997). Effect of dried solids of nejayote on broiler growth. Poultry Science, 76(11), 1531-1534. Retrieved from http://ps.oxfordjournals.org/content/76/11/1531.long [ Links ]
Voet, D., & Voet, J. G. (2006). Bioquímica. Buenos Aires, Argentina: Editorial Médica Panamericana . [ Links ]










texto en 




