Servicios Personalizados
Revista
Articulo
Indicadores
-
Citado por SciELO -
Accesos
Links relacionados
-
Similares en
SciELO
Compartir
Revista mexicana de ciencias agrícolas
versión impresa ISSN 2007-0934
Rev. Mex. Cienc. Agríc vol.6 no.6 Texcoco ago./sep. 2015
Artículos
Desarrollo y validación de una estación meteorológica automatizada de bajo costo dirigida a agricultura*
Development and validation of a low price automatic weather station for agriculture
Víctor Daniel Velasco Martínez1, Francisco Gerardo Flores García1, Guillermo González Cervantes2§, María de Jesús Flores Medina1 y Héctor Aurelio Moreno Casillas1
1 Instituto Tecnológico de la Laguna. Blvd. Revolución S/N esq. con Av. Cuauhtémoc. Torreón, Coahuila. C. P. 27200. Tel: 871 70 51 331 Ext. 515. (yoalieh@gmail.com; francisco.floresgarcia@gmail.com; mary_rosch@hotmail.com; honerom@gmail.com).
2 Centro Nacional de Investigación Disciplinaria en Relación Agua, Suelo, Planta, Atmósfera-INIFAP. Margen derecha canal Sacramento km 6.5. Gómez Palacio, Durango. C. P. 35140. Tel 52871-1590105. §Autor para correspondencia: gonzalez.guillermo@inifap.gob.mx.
* Recibido: marzo de 2015
Aceptado: junio de 2015
Resumen
Las observaciones meteorológicas cuantificadas son importantes en la agricultura para incrementar la productividad. Uno de los instrumentos más utilizados para realizarlas son las estaciones meteorológicas automatizadas. Las estaciones que se utilizan en México son generalmente tecnologías adquiridas en países desarrollados, por lo que los equipos que se descomponen no pueden ser reparados por costos y falta de conocimiento. Para investigación agronómica, la mayoría de las estaciones comerciales no siempre son las más adecuadas, ya que no son ajustables a los parámetros requeridos por la investigación. El presente trabajo presenta el desarrollo de un prototipo de estación meteorológica automatizada realizado por alumnos del Instituto Tecnológico de la Laguna, que puede ser ajustado a diferentes sensores y tiempos de muestreo. Después se detalla la instalación del prototipo en el campo experimental de la Universidad Autónoma Agraria Antonio Narro, Unidad Laguna, seguido de la validación estadística obtenida al correlacionar las lecturas del prototipo con el histórico de dos estaciones comerciales instaladas en un radio menor a los 10 km. Para radiación global se obtuvo una correlación de 0.95 y para temperatura de 0.91. Finalmente se analizan alcances y limitaciones del prototipo en agricultura.
Palabras clave: desarrollo, estación meteorológica automatizada, sensores.
Abstract
The quantified meteorological observations are important in agriculture to increase productivity. One of the instruments used are automatic weather stations. Stations used in Mexico, generally acquired technologies in developed countries, so that, when the equipment brakes, cannot be repaired because of the cost and lack of knowledge. For agricultural research, most commercial stations are not always the most appropriate, since they are no adjustable parameters required for the research. This paper presents the development of a prototype of an automatic weather station by students from the Technological Institute of the Laguna, which can be adjusted to different sensors and sampling times. Also, the installation of the prototype is detailed in the experimental field of Antonio Narro Agrarian Autonomous University, Unit the Laguna, followed by the statistical validation obtained by correlating readings to historical prototype of two commercial stations installed in a smaller radius than 10 km. Global radiation for a correlation of 0.95 and 0.91 temperature was obtained. Finally scope and limitations of the prototype in agriculture are also analysed.
Keywords: automatic weather station, development, sensors.
Introducción
Los factores meteorológicos son determinantes para la producción agrícola por el efecto que tienen en las plantas. Por lo tanto, el monitoreo ambiental en la agricultura es importante para lograr el incremento de la productividad (Seeman et al., 1979) (Mavi, 2004). Los datos meteorológicos pueden obtenerse en campo utilizando métodos e instrumentos tradicionales, o una serie de instrumentos mecánicos que pueden graficar las diversas variables, como los heliógrafos y actinógrafos para la radiación solar, o el pluviógrafo para las precipitaciones (Torres Ruiz, 2006).
También pueden ser obtenidos por instrumentos electrónicos automáticos, como las estaciones meteorológicas automatizadas (EMA) (Sivakumar, 2000) y las redes inalámbricas de sensores (RIS) (Rehman et al., 2014). Últimamente se han utilizado técnicas más nuevas que involucran telemetría satelital (TS) y sistemas de información geográfica (SIG) (Sivakumar et al., 2004; Al-Mahdi et al., 2014).
Estación meteorológica automatizada. Una EMA es un dispositivo electrónico automático con autonomía energética, que mide y registra las condiciones meteorológicas a través del uso de sensores electrónicos (Medina-García et al., 2008). La información es recuperada por el operador utilizando medios manuales, o por alguna especie de transmisión a distancia (WMO, 2012a). Las estaciones meteorológicas que se usan para agricultura tienen especificaciones algo diferentes a las que se usan para otros servicios. La WMO (2012b) ha detallado estas diferencias, así como las características de las estaciones, distancias y posiciones de los sensores.
El Instituto Nacional de Investigaciones Forestales, Agrícolas y Pecuarias (INIFAP) cuenta con una red de 1 016 estaciones agrometeorológicas disponibles en línea (INIFAP, 2015), y es la única cuyo enfoque es totalmente dirigido a auxiliar al sector agrícola. Las demás estaciones tienen enfoques muy diferentes y específicos a otras ramas. No todas las estaciones están siempre en las mejores condiciones operativas, como lo reportan Vázquez-Aguirre (2006) y Prieto-González (2010).
Rezago tecnológico. La dependencia tecnológica de México (Medina-Ramírez, 2004) también se observa en el ámbito de la meteorología, como es corroborado por la Organización Meteorológica Mundial (WMO) al hablar de la dificultad del Servicio Meteorológico Nacional (SMN) para mantener las estaciones operativas por la falta de refacciones (CONAGUA, 2010). También se presenta la falta de personal capacitado para la calibración y operación (CONAGUA, 2010) (Prieto-González, 2010). La mayoría de las EMA utilizadas en el país son modelos comerciales importados de países desarrollados, como se puede inferir de que las empresas participantes en la creación de la Norma Oficial Mexicana de estaciones meteorológicas (Secretaría de Economía, 2013), en su mayoría venden tecnología comprada en el extranjero.
Esta dependencia impacta los costos de la adquisición, transporte e importación, la instalación y el mantenimiento. Una EMA comercial enfocada a la agricultura, con comunicación inalámbrica de 300 metros de alcance, tiene un costo aproximado de 1750USD (Davis Instruments, 2015) después de incluir los impuestos, el envío y los gastos de aduana. Para una estación con alcance de 100 kilómetros, los costos rebasan los 5 000 USD (Future Ops, 2015).
Es con todas estas consideraciones que se inicia un proyecto multidisciplinario en las áreas de agronomía, electrónica e informática por investigadores de INIFAP CENID-RASPA y del Instituto Tecnológico de la Laguna (ITL), con el objetivo de diseñar e implementar una EMA de bajo costo para su uso en investigaciones enfocadas a incrementar la productividad agrícola.
El presente artículo presenta el diseño, la instalación y las pruebas de validación de un prototipo de EMA para verificar que el sistema propuesto mide las variables de interés, y se discuten sus alcances y limitaciones para lograr el objetivo de ser utilizada en meteorología agrícola.
Material y métodos
Esta investigación se desarrolló en el laboratorio de posgrado en instrumentación electrónica del ITL y en el campo experimental de la Universidad Autónoma Agraria Antonio Narro (UAAAN), Unidad Laguna (25° 33' 26" latitud norte, 103° 22' 20" longitud oeste). Fue desarrollado en cinco etapas:
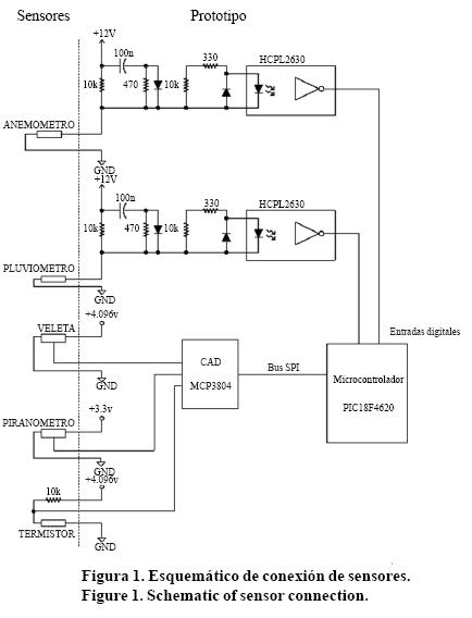
Integración electrónica. El prototipo está conformado de una tarjeta de desarrollo PICPLC16B rev.5 (Mikroelektronika, Belgrado, Serbia) con microcontrolador PIC18F4620 (Microchip, Phoenix, USA), una tarjeta de reloj de tiempo real RTC2 Board (Mikroelektronika, Belgrado, Serbia), y una tarjeta de acoplamiento de sensores. La comunicación se realiza con dos módems de radiofrecuencia X-Tend 9 (Digi, Minnetonka, USA) con antenas de largo alcance Yagi-Uda de 11 elementos. El prototipo es alimentado con una batería sellada de ácido-plomo (SLA) de 12V 12 Amp/Hr (Steren, México), cargada con un cargador KHN1224-10 (Shanghai Kirtun Electrical Equipment Group, Zheijang, China) y un panel solar WK5012 (Epcom, El Paso, USA). Los sensores usados: Termistor #7817, Piranómetro #6450, Anemómetro y Veleta #6410 y Pluviómetro #7852 (Davis Instruments, Hayward, USA). Las conexiones se presentan en la Figura 1.

Caracterización de sensores. Para los sensores analógicos (veleta, piranómetro y termistor) se utilizó el convertidor analógico digital MCP3204 (Microchip, Phoenix, USA) con el que cuenta la tarjeta de desarrollo. Este convertidor se conecta de manera digital con el microcontrolador por un bus SPI, tiene una resolución de 12 bits, y cuatro canales. El anemómetro y el pluviómetro se conectaron utilizando circuitos detectores de pulsos al microcontrolador. Las ecuaciones fueron anteriormente presentadas por el grupo de trabajo (Velasco-Martínez et al., 2013).
Programación. El microcontrolador se programó en MikroC Pro para PIC v6.0 (Mikroelektronika, Belgrado, Serbia). El programa realiza un sondeo constante de banderas. Cada segundo, el reloj de tiempo real solicita al PIC que active las banderas: un segundo, un minuto, 5 min, 15 min, 30 min, 60 min, o a medianoche. Las acciones para las banderas están en el Cuadro 1.

La acción de transmitir la información registrada por los sensores es configurable para que se realice en cualquiera de las banderas, permitiendo ajustar la frecuencia de las lecturas.
Instalación. La electrónica fue alojada en un gabinete metálico NSYCRN54200P (Schneider Electric, Rueil Malmaison, Francia), con protección IP66 para protección completa contra el polvo y resistencia a ráfagas fuertes de agua (NEMA, 2004). Se instaló en el campo experimental, a 1.5m sobre el nivel del suelo en un poste de acero galvanizado. Por no tener sensores, la altura fue elegida para que sea accesible al operador. El tubo fue anclado al suelo utilizando cables de acero para resistir las ráfagas de viento. El termistor fue colocado en el interior de una caja plástica sin paredes laterales para que esté en contacto con el aire y se evite la incidencia directa de la luz solar, como lo recomienda el fabricante (Davis Instruments, 2007). En la Figura 2 se presenta el interior del gabinete y la distribución de los componentes como se instaló en el campo.

El pluviómetro fue montado en una base a 64 cm del suelo, separado 1.5 m de la estación para evitar que el gabinete obstruyera la lluvia.
Validación. Se configuró el prototipo para transmitir cada 5 min los datos almacenados en la memoria del prototipo por solicitud del personal de la UAAAN. Las lecturas fueron transmitidas a una oficina que se encuentra a 425 m de distancia del sitio de instalación. Se obtuvieron datos de una estación meteorológica comercial Vantage Pro 2 (Davis Instruments, Hayward, USA) instalada en el campo experimental del CENID RASPA de INIFAP (25° 35' 18" latitud norte, 103° 27' 1" latitud oeste) una distancia de 9.5 km del prototipo. El campo experimental se encuentra en una zona de poca urbanización, cercada y lejos de estructuras que puedan afectar las mediciones, y presenta actualmente un problema con las mediciones de viento, por lo que también se utilizaron los históricos de la ESIME Torreón (estación sinóptica meteorológica) del servicio meteorológico nacional (SMN) para la velocidad y dirección de viento de esta estación, así como el totalizado de precipitaciones. Esta segunda estación de referencia se encuentra está ubicada en la zona urbana de Torreón, a 6.1Km de distancia (25° 31' 13" latitud norte 103° 24' 59" longitud oeste) de la instalación del prototipo. No se utilizaron ni la radiación solar, que se ve afectada por la sombra de una construcción al poniente, ni la temperatura ambiental por el efecto de isla de calor presente en las zonas urbanas (Taha, 1997).
También se cuenta con los registros de totalizado de precipitaciones obtenidos con el pluviómetro de cubeta (WMO, 2012b, sección 6.3.1) que se encuentra en el área experimental de la universidad, a unos metros del prototipo, y que es leído diariamente por el personal técnico del departamento de riego y drenaje. En la Figura 3 se presenta un mapa que muestra la posición del prototipo y las estaciones de referencia.
Se efectuó un análisis ortogonal de tendencias para radiación solar y otro para temperatura utilizando el software estadístico SPSS v15 (IBM, Armonk, USA). Se realizaron regresiones lineales al observarse tendencia lineal. Se utilizaron todos los datos generados entre marzo y mayo de 2014, pero en marzo sólo se tomaron los datos durante el día por falta del sistema de carga.
De los registros de viento del prototipo y la estación sinóptica (ESIME) se eligieron al azar los datos de dos periodos de 24 h del total de registros. Se analizaron la magnitud y la dirección de los vectores en dos estudios diferentes (Carvahalo et al., 2013): un estudio de correlación de Pearson de las magnitudes con SPSS, y un estudio de correlación circular de Jammalamadaka-SenGupta (Pewsey y Ruxton, 2013) utilizando el software libre R y el añadido circular. Se generaron mapas de densidad vectorial utilizando el añadido de R vecStatGraphs2D (Rodríguez et al., 2014) para observar la frecuencia de los vectores y complementar los resultados de las correlaciones.
Debido al escaso número de lluvias registradas en el periodo, no fue posible realizar un análisis estadístico adecuado para comparar los datos y validar la operación del pluviómetro.
Resultados
Validación. Para la temperatura, la estación de referencia con N= 5390 muestras, presentó
= 25.024, s= 5.5694, IC95%= 24.881-25.179. El prototipo con N= 5 390 muestras, tuvo
= 25.024, s= 6.7339, IC95%= 25.340-25.700. Del análisis ortogonal de tendencias se encontró una tendencia lineal significativa con p< 0.0001. La regresión mostró β=1.1011, un coeficiente de determinación R2= 0.83 y un coeficiente de correlación de Pearson r= 0.911. Para la radiación solar, la estación de referencia presentó con N= 5 392 muestras,
= 354.995, s= 384.2054, IC95%= 344.52-365.04. El prototipo presentó con N= 5 392 muestras,
= 333.682, s= 374.1326, IC95%= 322.96-342.83. Se encontró una tendencia lineal significativa con p< 0.0001, β=0.924, un coeficiente de determinación R2 de 0.842 y r= 0.918. En la Figura 4 se muestran las regresiones lineales para las dos variables.
Para la magnitud del viento, la estación de referencia con N= 278 muestras presentó
= 2.251, s=1.154, IC95%=2.115482-2.386676. El prototipo, con N= 278 muestras, presentó
= 1.217, s= 0.978, IC95%= 1.101862-1.101862. Se obtuvo una r de Pearson igual a 0.515, con una p< 0.001.
Para la dirección del viento, la estación de referencia, con N= 278 muestras, presentó una correlación circular de Jammalamadaka-Sengupta igual a 0.501, con una p< 0.0001.
En la Figura 5, en la ESIME se observa una mayor concentración de vectores en la zona cercana a 1.9 km h-1 en dirección NE, una segunda zona de menor concentración más hacia el E, a 3 km h-1, y una tercer zona a 1 km h-1 al NO. El prototipo mostró la mayor concentración al centro, en 0 km h-1, con una segunda zona de menor concentración a 1 km h-1 al NE, y más datos dispersos en el radio de 2 km h-1 en todo el cuadrante NE, pero no presenta la zona al NO visible en la referencia.
En el segundo par de mapas de densidad vectorial (Figura 6), el prototipo muestra la mayor concentración al centro, con puntos dispersos a 2 km h-1 en los cuadrantes NE y SE. La referencia presenta una mayor concentración a 1 km h-1, con una zona a 2 km h-1 al E, y una zona menor a 2 km h-1 al SE.
En el Cuadro 2, se presentan los dos eventos de lluvia que ocurrieron y fueron registrados por la ESIME y el prototipo, así como los datos registrados en el pluviómetro del campo experimental de UAAAN. La precipitación registrada por el pluviómetro de la UAAAN es la misma que la registrada por el prototipo. La precipitación reportada por la ESIME en el primer evento está cercana a los otros dos, pero el segundo evento es menor que los otros dos.

Costo. El costo del prototipo fue cercano a los 2000USD. La mayor parte del costo fue causado por los radio-módems de largo alcance y sus antenas (60%), el segundo impacto en el costo fue causado por la tarjeta de desarrollo utilizada (10%) y el gabinete adecuado al tamaño completo del prototipo (10%). El resto es el costo de los sensores y la instalación.
Discusión
Validación. La estación de referencia del CENID-RASPA se encuentra a 9.5 km de distancia del prototipo, los campos experimentales tienen las mismas condiciones, y los sensores son iguales. Las alturas de los sensores son las mismas que las del prototipo. La separación entre las estaciones de referencia y el prototipo puede ser un factor que influya en la comparación de los históricos. De acuerdo a Camargo y Hubbard (1999), para una distancia de 30 km, en condiciones de terreno similar, hay 90% de probabilidades de que la variable sea igual. La FAO (Allen et al., 2006) habla de una técnica para utilizar los datos de una estación cercana para suplir datos perdidos en otra. Los criterios que establecen para determinar si es viable utilizar estos datos como reemplazo es que de una regresión lineal entre una serie de datos conocidos, del mismo periodo, de las dos estaciones meteorológicas, la β esté entre 0.7 y 1.3.
Así mismo, el coeficiente de determinación R2 debe ser mayor a 0.7. La β y el coeficiente R2 obtenidos para la radiación solar y la temperatura se encuentran dentro de los criterios establecidos por la FAO, por lo que se puede inferir que las dos estaciones están midiendo valores similares, lo que puede hacer que sea válido reemplazar los datos de una con otra. Para el viento, aunque están dentro del rango de los 10 km aceptables para que la variable sea igual (Camargo y Hubbard, 1999), ni la correlación de la magnitud, ni la de dirección, alcanzan el criterio de 0.7, por lo que no se realizó ninguna regresión lineal.
En los mapas de densidad vectorial del prototipo hay algunos vectores en las mismas zonas que en los de referencia, pero la mayoría están concentrados en el centro. Esto puede puede estar provocado por la variabilidad de la estación de referencia por su ubicación dentro de una zona urbana, ya que como se ha descrito, la urbanización afectará a la variable (Collier, 2006). Con la falta de datos de referencia confiable no se tienen suficientes elementos para confirmar estas lecturas. Lo mejor será repetir el experimento utilizando una estación de referencia con las mismas condiciones del prototipo, para descartar fallas en el sensor o en el algoritmo.
Siguiendo el criterio de Camargo y Hubbard (1999), la medición de lluvia de la ESIME está fuera del rango de 5km donde la lectura es confiable, lo que pudiera explicar las diferencias de la ESIME con el prototipo, no obstante, las mediciones son similares con el pluviómetro de cubeta ubicado en el mismo sitio que el prototipo. Aun así, se requieren más datos de lluvia para compararlo contra el pluviómetro de cubeta para realizar un análisis estadístico que corrobore la relación entre métodos.
Costo. La fabricación del prototipo funcional fue 60% más barata que una estación de largo alcance, y mayor 14.24% que las estaciones de corto alcance. Lo segundo es explicado porque el prototipo tiene un alcance mayor que la de corto alcance contra la que se compara, además de que el prototipo utiliza componentes discretos, especiales para desarrollo, más costosos. Considerando los precios de los mismos componentes en sus versiones comerciales, se espera lograr una reducción del costo al 52.5% en la siguiente fase de diseño, pero aún es pronto para definirlo.
Uso en agricultura. La WMO (2012a) define posiciones adecuadas para la toma de mediciones, y que sean representativas en meteorología agrícola. La posición en la que se instalaron los sensores se eligió más de acuerdo a la posición que tenía la estación de referencia que a la posición estándar para meteorología. Sólo el pluviómetro se ajustó cercano al suelo, por solicitud del agrometeorólogo de UAAAN. Las variables consideradas críticas para la producción agrícola por Hoogenboom (2000) son la temperatura del aire, la radiación solar y la precipitación pluvial. Después de un ajuste de altura de los sensores, y la validación de la precipitación, el prototipo ya puede medir estas variables.
Hoogenboom (2000) también habla sobre la importancia de la evapotranspiración potencial (ET0), calculada de otras variables utilizando el modelo de Pentman-Monteith propuesta por la FAO (FAO-PM), el modelo de Hargreaves-Samani (HS), u otros (Santiago-Rodríguez et al., 2012). Estos modelos pueden ser programados en el prototipo para calcular la ET0 in situ. El modelo HS sólo requiere temperaturas máxima, mínima y promedio, que la estación ya mide, aunque es menos preciso y requiere lecturas de más días (Pereira et al., 2015). Para el modelo FAO-PM se pueden estimar las variables faltantes (Allen et al., 2006) (Jabloun y Sahli, 2008) (Cai et al., 2007) de las variables que ya mide el prototipo, o se puede añadir un sensor de humedad relativa para aumentar la eficacia del cálculo.
Conclusiones
Este prototipo ya mide algunas de las variables meteorológicas básicas. Con la validación de históricos, además de comprobar que dos de las variables son comparables a una estación en las mismas condiciones, otras dos aún requieren mayor comprobación. También son necesarios ajustes en la instalación, por la altura de los sensores. Al poder modificar enteramente su programación, se puede utilizar para calcular variables de mayor interés a la meteorología agrícola. Al tener también acceso a la electrónica, se pueden integrar nuevos sensores, como un sensor de humedad relativa, que permitiría calcular la ET0 in situ utilizando el modelo FAO-PM.
Agradecimientos
Al CONACYT por becas para estudios de posgrado. Al departamento de Riego y Drenaje de la UAAAN-UL por recursos bibliográficos y económicos para prototipo. A investigadores del INIFAP por información de estación. A la Coordinación General del Servicio Meteorológico Nacional por históricos de ESIME Torreón. Víctor y María también desean agradecer a todas las personas, amigos y familiares que nos han apoyado y guiado a lo largo de nuestros proyectos.
Literatura citada
Allen, R. G.; Pereira, L. S.; Raes, D. y Smith, M. 2006. Evapotranspiración del cultivo. Traducción al español. Food and Agriculture Organization of the United Nations. Roma, Italia. 342 p. [ Links ]
Al-Mahdi, A. M.; Ndahi, E. M. S.; Yahaya, B. and Maina, M. L. 2014. integrated gis and satellite remote sensing in mapping the growth, managing and production of inland water fisheries and aquaculture. Eur. Sci. J. 6(10):178-183. [ Links ]
Cai, J.; Liu, Y.; Lei, T. and Pereira, L. S. 2007. Estimating reference evapotranspiration with the FAO Penman-Monteith equation using daily weather forecast messages.Agric. Forest Meteorol. (145):22-35. [ Links ]
Camargo, M. B. and Hubbard, K. G. 1999. Spatial and temporal variability of daily weather variables in sub-humid and semi-arid areas of the united states high plains. Agric. Forest Meteorol. (93):141-148. [ Links ]
Carvalho, D.; Rocha, A.; Gómez-Gesteira, M.; Alvarez, I. and Silva-Santos, C. 2013. Comparison between CCMP, QuikSCAT and buoy winds along the Iberian Peninsula coast. Remote Sensing of Environment. (137):173-183. [ Links ]
Collier, C. G. 2006. The impact of urban areas on weather. Quarterly Journal of the Royal Meteorology Society. (132):1-25. [ Links ]
CONAGUA (Comisión Nacional del Agua). 2010. proyecto de modernización del servicio meteorológico nacional de México: diagnóstico institucional y propuesta de plan estratégico 2010-2019. 67 p. [ Links ]
Davis Instruments. 2015. Wireless Vantage Pro2 Plus. http://www.davisnet.com/weather/products/weather_product.asp?pnum=06162. [ Links ]
Future Ops Intelligence Moving Water. 2015. http://motorolairrigation.com/agriculture-comparison/.
Hoogenboom, G. 2000. Contribution of agrometeorology to the simulation ofcrop production and its applications. Agric. Forest Meteorol. (103):137-157. [ Links ]
INIFAP (Instituto Nacional de Investigaciones Forestales, Agrícolas y Pecuarias). 2015. http://clima.inifap.gob.mx/redinifap/.
Jabloun, M. a Sahli, a. 2008. Evaluation of FAO-56 methodology for estimating reference evapotranspiradtion using limited climatic data: application to Tunisia. Agricultural Water Management. (95):707-715. [ Links ]
Jabloun, M. and Sahli, a. 2008. Evaluation of FAO-56 methodology for estimating reference evapotranspiration using limited climatic data: application to Tunisia. Agricultural Water Management. (95):707-715. [ Links ]
Medina-García, G.; Grageda-Grageda, J.; Ruiz-Corral, J. A. and Báez-González A. D. 2008. Uso de estaciones meteorológicas en la agricultura. México. INIFAP. [ Links ]
Medina-Ramírez, S. 2004. La dependencia tecnológica en México. Economía informa. 330:73-81. [ Links ]
NEMA. 2004.ANSMEC 60529-2004. National Electrical Manufacturers Association. 8 p. [ Links ]
Pereira, L. S.; Allen, R. G.; Smith, M. and Raes, D. 2015. Crop evapotranspiration estimation with FAO 56: Past and future. Agricultural Water Management. (147):4-20. [ Links ]
Pewsey, A.; Neuhäuser, M. and Ruxton, G. D. 2013. Circular Statistics in R. OXFORD Press. 1st. Ed. NY, USA. 208p. [ Links ]
Prieto-González, R. 2008. Diagnóstico de las capacidades, fortalezas y necesidades para la observación, monitoreo, pronóstico y prevención del tiempo y el clima ante la variabilidad y el cambio climático en México. 173 p. [ Links ]
Rehman, A.; Azafar, A. A.; Islam, N. and Ahmed, S. Z. 2014. A review of wireless sensors and networks' applications in agriculture. Computer Standards & Interfaces. 2(36):263-270. [ Links ]
Rodríguez, P. G.; Polo, M. E.; Cuartero, A. and Felicísimo, Á. M. 2014. VecStatGraphs2D, a tool for the analysis of two-dimensional vector data: an example using QuikSCAT Ocean Winds. IEEE Geoscience and Remote Sensing Letters. 5(11):921-925. [ Links ]
Santiago-Rodríguez, S.; Arteaga- Ramírez, R.; Sangerman- Jarquín, D.; Cervantes-Osornio, R. Navarro-Bravo, A. 2012. Evapotranspiración de referencia estimada con Fao-Penman-Monteith,Priestley-Taylor, Hargreaves y RNA. México. Rev. Mex. Cienc. Agríc. 8(3):1535-1549. [ Links ]
Secretaría de Economía. 2013. NMX-AA-166/1-SCFI-2013. Estaciones meteorológicas, climatológicas e hidrológicas - Parte 1. 43 p. [ Links ]
Seeman, J.; Chirkov, Y I.; Lomas, J. and Primault, B. 1979. Agrometeorology. Berlin. Ed. Springer-Verlag. [ Links ]
Sivakumar, M. V. K.; Gommes, R. and Baier, W. 2000. Agrometeorology and sustainable agriculture. Agric. Forest Meteorol. (103):11-26. [ Links ]
Sivakumar, M. V. K.; Roy, P. S.; Harmsen, K. and Saha, S. K. 2004. Satellite remote sensing and gis applications in agricultural meteorology. In: satellite remote sensing and GIS applications in meteorology. Sivakumar, M. V K.; Roy, P. S.; Harmsen, K. and Saha, S. K. (Eds.).World Meteorological Organization. DehraDun, India.427 p. [ Links ]
Taha, H. 1997. Urban climates and heat islands: albedo, evapotranspiration, and anthropogenic heat. Energy and Buildings, 96(25):99-103. [ Links ]
Torres-Ruiz, E. 2006. 2° (Ed.). Agrometeorología. México, D. F. Ed. Trillas. 156 p. [ Links ]
Vázquez-Aguirre, J. L. 2006. Datos climáticos de la República Mexicana: panorama actual y requerimientos inmediatos. In: 1er Foro del Medio Ambiente Atmosférico. Xalapa, Veracruz, México. 1-14 pp. [ Links ]
Velasco-Martínez, V. D.; Juárez, C. and Flores-García, F. G. 2013. Design and deployment experiencies of Automatic Weather Station EC-LAG3. In: 5º Encuentro regional de investigadores y 4º encuentro de jóvenes investigadores. Espinoza, A.; Meza J. L.; Cepeda, M. F. J. y Guerrero, G. D. (Eds.). RUCERHALL, S.A. de C.V. Torreón, Coahuila, México. 501-509 pp. [ Links ]
World Meteorological Organization. 2012. 2008 ed. Guide to Meteorological Instruments and Methods of Observation. WMO No. 8. Geneva. 716 p. [ Links ]
World Meteorological Organization. 2012. (Ed.). Guide to Agricultural Meteorological Practices. WMO No 134. Geneva. 799 p. [ Links ]













