1. Introduction
The concept of the Internet of Things (IoT), first put forth by Kevin Ashton in 1999, has been used in many fields, including farming, electric grids, transportation, and medicine. The main goal of IoT is to connect devices through the internet while removing timing and geo- graphic constraints. The Internet of Things (IoT) is a system of connected sensors, processors, and electronic devices that are dispersed around the world over the internet and may speak with one another to share and transmit information using unique identifiers (UIDs) that are issued to this or that device (unique identifiers). The California Air Resources Board (CARB), which sent out a powerful message to cut emissions from automotive consumers, was the body that initially encouraged the use of hybrid cars electric vehicles (EV). The preliminary investigation highlighted the potential for improvement in the power and energy density, as well as the cycle life of batteries, if the battery architects collaborated with the team working on power transmission and distribution systems. Supercapacitors, known for their ability to provide high power for shorter durations, hold promise in enhancing vehicle performance. Monitoring a supercapacitor will enable researchers to quantify the extent of benefits that can be achieved for the vehicle. A modern form of energy storage unit is the supercapacitor. It has faster cycle rates, and charge and discharge timings than the normally employed rechargeable batteries today. Additionally, this has the benefits of broad temperature limits, reduced natural contamination, and high-power density and durability. It has seen widespread use recently in methods for storing energy, how supercapacitors are used in electric utilities can both lower system costs and increase system effectiveness while also enhancing the system. This paper presents the development of cost-effective and dependable maintenance systems for monitoring supercapacitors in electric vehicles. The supercapacitor is charged using a phase shift full bridge DC-DC converter with carefully selected parameters. To facilitate monitoring, the data and charge cycle, as well as the current and voltage graphs, are wirelessly transmitted to the Thingspeak platform. Thingspeak is an Internet of Things (IoT)-based platform that seamlessly integrates with MATLAB Simulink. It ensures security by assigning unique identification keys to each user, and data will only be displayed if the authorization key matches. The data obtained in MATLAB Simulink is projected onto the Thingspeak platform.
This proces enables the wireless transfer of data between the electric vehicle and the monitoring station, ensuring efficient and reliable monitoring of the supercapacitor system.
2. Literature review
IoT real time system for monitoring lithium-ion battery long-term operation in microgrids was proposed by Gonzalez et al. (2022). They proposed the design of a surveillance system utilizing IoT innovation for a LiB embedded in a battery-powered hydrogen microgrid with the intention of filling the research gaps (BHMG). The LiB is a 5.0 kW lithium iron phosphate battery made by BYD. An internal IoT server receives the data produced by the built-in BMU, which is then transported there and displayed via a user interface created with the Grafana program. Online access to current LiB magnitudes data is made possible.
Gupta et al. (2020) proposed an IOT enabled data acquisition system for electric vehicles. IoT-based DAQ employs two node MCUs that send data to the ThingSpeak cloud infrastructure, creating it simple and accurate to generate peculiar graphical representations with the periodic times across the testing process. The researcher can remotely access the data needed using a device. With minimal exertion and labor-intensive results, this data capture system is the ideal approach to assess the performance in real-time and generate profits. The unified communications system DAQ includes a temperature sensor, voltage sensor, current sensor, and a humidity sensor to collect data. An IoT based speed management strategy for electric vehicles based on control monitoring system was presented by Antoine et al. (2021). To monitor and analyze vehicle data, a structural speed control and IoT based automatic inspection system was created. The best model to predict the needed voltage to be delivered to the actuators in a certain zone was examined using two modelling techniques: random forest (RF) and multiple linear regression models. By incorporating smartness into the current domains, the IoT is changing research. ITS holds forth enormous promise for reducing difficulties with road traffic safety. Vehicle movement data can be collected and stored in the cloud thanks to the IoT. Any device that can interact via the mqtt transfer application programming interface can send vehicle data to the internet. An increased initial cost is implied when establishing a sensor system for IoT applications.
Mohammed et al. (2022) proposed an Internet of Things based real-time electric vehicle and charging stations monitoring system. The proposed work suggests that the best course of action is to switch to electric automobiles. The purpose of this article is to create a solution for Internet of Things (IoT)-enabled EV charging outlet placement. The Internet of Things (IoT) is a paradigm that makes use of sensors and transmitting networks to give modern institutions a genuine, worldwide vision of the physical universe. The research focuses on systems to provide an actual update to charging points and EV destination to minimize downtime lost by consumers finding charging points and offers significant charging station (CS) proposals for EV users by displaying the closest charging points providing valuation of arrival time to the nearest charging points and displaying range between nearest charging points and EV. The effectiveness of the suggested system is evaluated, and the difference between the distance determined by the system and the distance determined by Google Map shows the most significant error rate (17 meter). The design's overall correctness in the investigated instance is (98.014%).
A detailed review on IoT based electric vehicle charging and parking system was presented by Golla et al. (2021). In this study, implementation assessments of Internet of Things based intelligent parking technologies are investigated, and a comparative study between an integrated parking and recharging system and a distinct parking and recharging system is conducted. Electric vehicles low operating range is indeed a drawback. Thus, it needs to be recharged frequently. In addition to EVs, the population is growing tremendously, which is an issue because it leads to more congestion. Electric power is one of the finest alternatives for it, and electric vehicles are an illustration of it. Internet of Things based real-time electric vehicle load forecasting and charging station recommendation was proposed by Zhuang et al. (2022). Instead of having to set up a complicated communication technology the application developed in this research can notify the electric vehicle driver if the vehicle charging is necessary, identify the closest charging station with identities, locations, and geography route data, and save the space to power up the EV to reach its final destination. Because all material can be automatically retrieved using Global Positioning System and the internet system employing freely accessible domains with minimal involvement from the user, the process does not necessitate any sophisticated communication process.
Zhao et al. (2019) proposed a novel design for industrial IoT-based monitoring system for power substations. Network-attached storage (NAS) is used in this industrial IoT-based surveillance system as the archive to retain data and provide wireless monitoring. NAS is digital collection that, in contrast to direct-attached storage (DAS) and storage area network (SAN), may be accessible to numerous authenticated persons and diverse client devices to obtain the information from a main area in the network in various classes. The central controller can then utilize the network and a login and permission to retrieve the needed data according to the date and circumstances. Information security is a crucial concern that must be considered while designing the system for electrical substations. Among the most popular networking techniques for synchronizing clocks Due to concerns about cyber security, the system does not use Network Time Protocol (NTP). As an alternative, a high precision industrial standard GPS synchronization module is used to provide dates and times for the observed variables. Jadhav et al. (2021) proposed an IoT-based monitoring system using tri-level context making model for smart home services. The research suggested IMS employing the duplex context making model, which was developed with free and open - source equipment and software. Two distinct intelligent monitoring smart home service scenarios were evaluated. An emergency management service was the first. In this scenario, customers could be made aware of specific events like fires, gas leaks, and break-ins through the alerting of LED lights, beeping beepers, and online communications. The second instance involved an intelligent home care service that included managing restful sleep and maintaining a comfortable lifestyle.
An IoT based monitoring system for shop-floor control was proposed by Mourtzis et al. (2016). The proposed work attempts to propose a suite of services for intelligent stores. The major goal of the suggested system is to raise knowledge of the current situation of production materials, particularly equipment.
Making production plans while accounting for assets that could not be accessible when needed for a variety of reasons is quite typical in industry. Therefore, raising awareness is essential to avoiding blockages and boosting production. The cornerstone for industry 4.0 and judgment is the surveillance and information acquisition throughout the production process. The IoT idea of using monitoring systems that exceed conventional methods for on-site data collecting, processing, and visualization is suggested by the cyber physical system model.
Hernández-Morales et al. (2022) designed and deployed an IoT-based monitoring system for protected cultivations. In this research, a useful IoT surveillance system in intelligent farming is provided. This architecture is built and executed to offer the best circumstances and affordable options for different cultivation techniques and greenhouses lifespans. Information is provided on the system implementation and design, as well as the use of deep learning for atmospheric prediction. The Automated process was investigated experimentally. The sensing, communication, computational (dependency injection), and programming model are indeed the four different levels that make up this architecture. The author stresses that the objective of this design concept is to provide a balance between the amount of process agility and affordability. In other words, the design enables cost-proportional surveillance of a single data point or a whole operation.
3. Real-time condition monitoring
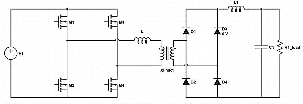
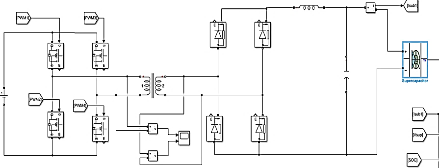
Condition monitoring is vital to ensure the smooth working of the supercapacitor (Yang et al., 2016). The IoT-based condition monitoring system will allow the engineering team to wirelessly monitor supercapacitor conditions in each vehicle connected to the system. The Internet of Things is a synthesis of hardware and software. More precisely, it is divided into four parts that are IoT hardware, IoT platforms, deep dive programming and case study - deployment scenarios. Figure 1 illustrates schematic of phase shift full bridge DC-DC converter, DC voltage is applied to the MOSFET junction. Since the circuit incorporates a transformer, the voltage transmission and insulation from the line voltage are incorporated into the phase-shifted full-bridge (PSFB) stage. The switches within the PSFB converter can operate at zero voltage by utilizing the energy stored in the transformer's leakage inductance to charge or discharge the switches' output capacitance during the dead-time interval. The PSFB method utilizes the energy contained in the leakage inductance of the power transformer to gradually switch on each of the four power MOSFETs in the full bridge, in contrast to the abrupt switching of a regular full bridge. This results in zero voltage switching (ZVS) when the drain-to-source voltages of the external power MOSFETs reach or approach zero volts. This eliminates the instantaneous turn-on power loss of the MOSFETs caused by drain-to-source capacitance and parasitic capacitance discharge, leading to increased efficiency, reduced switching-related electromagnetic interference (EMI), and the elimination of the need for primary-side snubbers. Now, shifting focus to the first aspect of the research, IoT hardware is employed using a cloud-based implementation utilizing ThingSpeak, as well as online MATLAB and offline MATLAB Simulink. The supercapacitor is charged using a phase-shifted full bridge DC-DC converter. The simulation diagram of the circuit is shown in Figure 2.
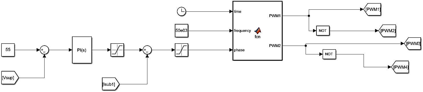
Phase shift full bridge DC-DC converter recycles the power storage in leakage transformer and does switching process softly, this convertor has improved efficiency, had less EMI, and minimized the necessity of primary side snubbers. In the research work, 400 V DC supply is stepped down to 48V DC as a power supply to the supercapacitor. PWM (pulse width modulation) is a modulation method that creates pulses with changing widths to represent the amplitude of an analogue input signal. Figure 3 depicts the PWM signal generation. With the aid of PWM signal the algorithm is implemented on a full bridge DC-DC converter (Maraveas & Bartzanas, 2021). IoT platform, in the corresponding research work, ThingSpeak which is an online platform is used as the most crucial component in enabling an IoT-based supercapacitor monitoring system. ThingSpeak is inexpensive, fully accessible software that allows people to interact with internet-connected gadgets. This was created in Ruby. By giving software and devices access to an API. It makes data access, retrieval, and logging easier. The data is transferred in real-time from MATLAB Simulink to the ThingSpeak platform (Kashyap et al., 2018). ThingSpeak is a cloud-based platform, where data can be securely stored and accessed from anywhere. This accessibility is particularly beneficial for IoT applications where data needs to be collected and analyzed remotely. The data is protected by API keys that will only enable the gadget to connect with the Internet of Things (IoT). ThingSpeak seamlessly integrates with MATLAB, allowing for easy data analysis, visualization, and processing. This integration enables researchers to leverage the powerful analytical capabilities of MATLAB for their IoT data (Varikkottil & Febin Daya, 2019).
Figure 4 shows the signal communication between IoT platform and simulation plant implemented using MATLAB/Simulink. As shown in this figure a particular channel number is assigned to the system, ensuring safety. Figure 5 depicts the data flow from electric vehicle to the control office first, the data is transmitted wirelessly from the electric vehicle to the nearest base station this is done using (Wolfert & Isakhanyan, 2022) an internet communication system acting as an intermediate step to upload data in the cloud. After the data is uploaded to the cloud in real-time, the authorized person can implement a condition monitoring algorithm. If any discrepancy is found in the data, the computer through a combination of cloud computing and edge computing will notify the authorized person for further action so that any unpredicted event can be omitted (Muralidharan et al., 2022). In the future, the data collected through supercapacitors can be used in building artificial intelligence and machine learning algorithms that can further optimize vehicle performance (Lionel et al., 2021). Integration of all four components that include IoT hardware, IoT platforms, deep dive, programming, and case study. Deployment scenarios is a major part of any condition monitoring system physical system will have a microcontroller that will function as the brain of the entire system, current sensor, voltage sensor, temperature sensor, humidity sensor, accelerometer sensor and vibration sensor. The data from each sensor will be sent to the microcontroller and the microcontroller will send all the combined data to the cloud for further analysis. IoT platform ThingSpeak is used to visualize the data gathered from all the sensors.
4. Experimental results
In this research IoT based condition monitoring for a 48V supercapacitor used in an electric vehicle, the supercapacitor is charged using a phase shift full bridge DC-DC converter (Balamurugan et al., 2017; Prabhakar & Daya, 2016). The battery and supercapacitor specifications are given in Table 1 and Table 2, respectively. The data is transferred from the MATLAB Simulink to the ThingSpeak platform to enable IoT-based applications. In the ThingSpeak window, the result is displayed that can be further processed for predictive maintenance applications. This helps in enabling the real-time monitoring of supercapacitors.
Table 1 Battery specifications.
| Specification | Values |
| Capacity | 75Ah |
| Nominal voltage | 48V |
| Max charging current | 0.5C/1C |
| Max discharging current | 1C/ 2C |
| Life cycle | 2000 (80% DoD) |
| Energy efficiency | >97% |
Table 2 Supercapacitor specifications.
| Specification | Values |
| Rated capacitance | 100F |
| Nominal voltage | 48V |
| Max continuous current | 17A |
| Max peak current | 60A |
| DC-ESR | 12mΩ |
| Specific power | 7200W/Kg |
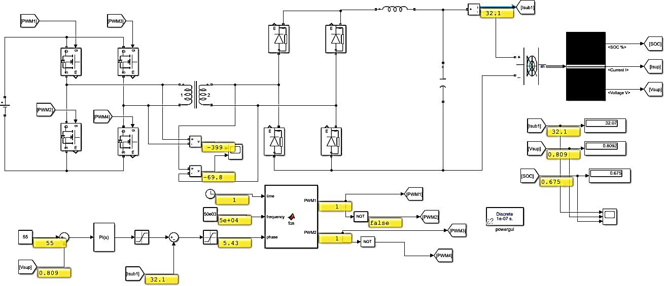
Figure 6 illustrates the implemented circuit that includes charging of supercapacitor, transferring data from MATLAB Simulink to ThingSpeak and the PWM algorithm. Without a full charge detecting circuitry, the voltage rises linearly throughout charging and the current decreases whenever the supercapacitor is loaded. The results are accurate when using a steady power flow and a voltage limit that is appropriate for the voltage rating of the supercapacitor; going above that range might cause considerable damage to the supercapacitor shown in Figure 7.
The voltage profile obtained in Thingspeak after the online condition monitoring of supercapacitors incorporated using the Internet of Things, the data transferred from MATLAB-Simulink is done using the MQTT protocol is shown in Figure 8. MQTT is one of the standard protocols for the Internet of Things. The data transferred is secured by an API key and can only be accessed through a password enhancing the safety of the system. Figure 9 and Figure 10 show the % SoC results in MATLAB/Simulink and ThingSpeak, respectively. Results prove that the voltage and SoC of the system is monitored successfully.
5. Conclusions
Supercapacitors are responsible for providing power to the vehicle and are an essential part of the system that can be relied upon under any circumstances when the whole world is moving toward the Internet of Things where all the gadgets are interconnected, incorporating IoT into the most basic and innovative component of the electric vehicle is a must. The supercapacitor is part of the battery management system that gives additional power to the vehicle when the vehicle needs more power in a brief period. Online condition monitoring of supercapacitors will enable the researcher to review the performance of supercapacitors concerning the system as there is a lack of real-time analysis of the system. It will show the new parameters where the supercapacitor should be worked on, shortly, the research team can compare data with other vehicles and can implement artificial intelligence and machine learning to enhance the system apart from AI and ML. Predictive maintenance is one of the most important parameters. Predictive maintenance should be done to make the system dependable.










nueva página del texto (beta)












