Introducción
La electricidad es el principal insumo para la realización de actividades productivas de transformación y servicios en el mundo (Arellano, 2012). El suministro eficiente de electricidad a un costo asequible fomenta la competitividad y la capacidad de las empresas y la industria para ofrecer más y mejores productos y servicios en el mercado, lo que repercute directamente en el crecimiento económico. Es decir, esos productos de mayor calidad pueden ofrecerse a su vez a precios más bajos, lo que redunda en una mayor competitividad de las empresas e industrias (Hernández, 2018).
Actualmente el término de calidad de la energía eléctrica ha tenido gran importancia y una de las razones va de la mano con el aumento de la productividad y la competencia que existe en las empresas, ya que hay una relación proporcional entre productividad, eficiencia y calidad de la energía (Erazo & Quevedo, 2018).
Para la mejora de la productividad hay varias características de impacto, tales como la búsqueda e instalación de equipos que posean alta eficiencia, motores modernos y sofisticados, bombas, etcétera; así como la necesidad de automatizar procesos con el uso de computadores y dispositivos electrónicos (Barbalho, 2019); evitar pérdidas eléctricas; reducir los costes de sistemas y tarifas sobredimensionados e intentar evitar el desgaste de los equipos.
Dos de las principales normas competentes hacen referencia al tema, la Comisión Electrotécnica Internacional (IEC) aplica la definición al término: "Calidad de la Energía Eléctrica", como las características de la electricidad en un punto determinado de la red eléctrica, evaluadas en relación con un conjunto de parámetros IEC 61000-4-30 Internacional (Erazo & Quevedo, 2018).
Los parámetros medibles dentro de la misma son: Frecuencia, Magnitud, Flicker, Armónicos, Fluctuaciones de tensión, Interrupciones, Desequilibrios (Physics, 2019).
A su vez, la IEEE define el término: "Calidad de la Energía Eléctrica" (Cade Simu, 2022) como la diversa variedad de fenómenos electromagnéticos y en un punto específico de la red (Erazo & Quevedo, 2018).
Los parámetros medibles en IEEE 1159/1995 son alteraciones en los valores eficaces de corriente y tensión, perturbaciones transitorias y formas de onda perfectas (Erazo & Quevedo, 2018).
Métodos y materiales
El sistema eléctrico comprende el conjunto de medios y elementos útiles para la generación, transporte y distribución de energía eléctrica integrados por mecanismos de control, seguridad y protección. Por lo tanto, las características del sistema eléctrico en la empresa incluyen dos transformadores en la subestación principal, uno tipo poste de 150 kVA y tensiones de 13200 v/220 v y otro transformador tipo pedestal de 500 kVA y tensiones de 13200 v a 440 v. Por lo tanto, la monitorización y análisis del comportamiento de la calidad de la energía se realiza en la subestación principal de 500 kVA en el lado de alimentación a una tensión de 13.2 kV y en el lado de baja alimentación a una tensión de 440 v.
Como primer paso se procedió a realizar el análisis en los centros de carga, en los cuales se colocarían los dispositivos de medición, primero se analizaron las diferentes líneas o fases que integra el sistema, posteriormente se identificaron el neutro y la tierra, finalmente se analizaron los diferentes dispositivos o maquinaria conectada a los centros de carga. Cabe mencionar que dentro de la empresa se manejan 2 voltajes: El voltaje 1 es trifásico y tiene 3 fases 4 hilos con un voltaje de 440, asimismo el voltaje 2 es trifásico y tiene 3 fases 4 hilos a un voltaje de 220, la inspección de los centros de carga orientará la elección el centro de carga más adecuado para realizar las mediciones necesarias.
La empresa MACEP se integra en el análisis de la Tarifa Horaria de Alta Demanda de Media Tensión (GDMTH) como se describe a continuación.
La tarifa se aplicará a los servicios que asignen energía a cualquier uso, suministrados en media tensión, con una demanda igual o superior a 100 kilovatios.
Se ha solicitado la factura eléctrica para analizar las condiciones de contratación, así como el histórico de consumos.
El análisis del consumo de energía se realizó tomando la lectura con un promedio de 20 440 kWh (Figura 2), así mismo se tomó en cuenta el factor de potencia con un promedio de 85.83 % (Figura 1) estando por debajo del nivel permitido por la Comisión Federal de Electricidad (CFE L0000-70), (Ayala, 2009) para contribuir a la mejora de la calidad de la energía.
Conexión al tablero de 440vac
En este paso se procedió a conectar el analizador de redes Fluke 434-II (Corporation, 2012) en el tablero principal de alimentación de voltaje a 440vac, previamente ya configurado con las diferentes características eléctricas de la empresa; el analizador de redes cuenta con conectores tipo gancho o sondas amperimétricas y conectores tipo cocodrilo para realizar las conexiones. Primero se retiró la carcasa del centro de carga, posteriormente se realizó la conexión del analizador de redes de la siguiente manera: Inicialmente se realizó la conexión a tierra, después se conectaron las pinzas de tensión con sus colores y líneas como se muestra en las imágenes, a continuación se conectaron las sondas amperimétricas también con sus colores y líneas. Después de realizar las conexiones se registraron los datos a través de la opción de monitoreo que tiene el analizador de redes. De esta manera se generaron datos de fluctuación de corriente desde 24 amperios hasta un máximo de 105 amperios como se muestra en la Figura 3.
Se realiza el análisis de la corriente en el tablero principal de potencia a 440 Vac donde se generan fluctuaciones de corriente en las tres fases que corresponden desde 105 Amp como máximo y como mínimo 8 Amp, como se muestra en la Figura 4. Este análisis se representó en un periodo de 3 meses. Cabe mencionar que las fases 1 y 3 se encuentran en parámetros de mayor y menor corriente, ya que dentro de las fluctuaciones se deben mantener en condiciones de valores óptimos para no presentar mayores perturbaciones en el sistema eléctrico de la planta.
Las fluctuaciones de corriente presentadas en la alimentación principal se generan a partir de un máximo de 72 amperios y un mínimo de 8 amperios en la línea 1 (Figura 4), presentando una irregularidad en ciertos valores y cambiando sus características en largos períodos con valores mínimos, asimismo trabajando con equipos de mayor consumo de energía. Se han analizado las fluctuaciones de voltaje que presenta el sistema en la fuente de alimentación principal, mostrando variaciones que van desde 420 Vca hasta 438 Vca como se muestra en la Figura 5. Estas fluctuaciones se traducen en un alto consumo de energía eléctrica, lo que repercute directamente en la productividad por el aumento de los costos.
Análisis estadístico del sistema eléctrico
Para encontrar el desempeño óptimo de acuerdo con las fluctuaciones de corriente en el sistema eléctrico mostradas en la sección anterior, se obtiene una referencia en el comportamiento de la calidad de energía, las variaciones de voltaje y corrientes debido a cambios en las potencias (real, aparente y reactiva) (Beltrán & Boscán, 2011), las cuales producen fluctuaciones.
Se desarrolló un estudio estadístico a través del análisis del diseño de experimentos (dos factores y tres variables, 23) (Hernández, 2018).
Entre los factores que influyen en la calidad de la energía se encuentran las potencias (real, aparente y reactiva), por lo que se desea analizar los efectos que producen y cuáles son las principales interacciones generadas, de las cuales hay mayor afectación en dichas variaciones (Amaya, 2022; Martins & Morandi, 2022).
Se realizó un estudio para observar el efecto de algunos de los factores controlables que afectan la calidad de energía. Para efectos de este estudio se consideraron únicamente tres variables: Potencia Rea, Potencia Aparente y Potencia Reactiva. De acuerdo con las fluctuaciones de corriente se puede observar (Figura 6) una alteración importante respecto al histograma del comportamiento actual.
El comportamiento en las fluctuaciones de la corriente con alimentación general, de acuerdo con la monitorización y resultados del esquema con el analizador de redes, se puede observar en el gráfico de la Figura 7, con variaciones residuales importantes respecto a la media y valores fuera de los límites de control permitidos para un mejor rendimiento de la calidad de la energía.
De acuerdo con los datos establecidos se realizó el análisis de varianza (Tabla 1) con el software estadístico Minitab (Conermex, 2020), análisis de varianza para Corriente, utilizando SS ajustado para pruebas.
Tabla 1 Análisis de la varianza (ANOVA).
| Fuente | DF | Seg. SS | Adj. SS | Adj. MS | F | P |
|---|---|---|---|---|---|---|
| P. Real | 2 | 4.00 | 4.00 | 2.00 | 0.16 | 0.853 |
| P. Reactiva | 1 | 4.17 | 4.17 | 4.17 | 0.33 | 0.571 |
| P. Aparente | 1 | 6.00 | 6.00 | 6.00 | 0.48 | 0.497 |
| Error | 19 | 237.83 | 237.83 | 12.52 | ||
| Total | 23 | 252.00 |
Fuente: Elaboración propia
Según el resultado del análisis estadístico, los valores de corriente están fuera de rango, lo que indica que se producen fluctuaciones de corriente cuando funciona el equipo de potencia real; se generan menos fluctuaciones cuando el equipo funciona con potencia aparente y potencia reactiva.
Selección de los elementos de investigación
Esta sección describe el diseño de la presente investigación mediante el análisis de las características eléctricas del sistema para explicar a detalle el comportamiento del flujo de energía eléctrica en la integración automática de los elementos (Beltran, 2020; Marcelo, 2020; De Oliveira, 2022) y cómo mejora las condiciones de las perturbaciones del sistema eléctrico (Figura 8). A continuación, se presentan las hipótesis del modelo adoptadas en este estudio:
Las variaciones de corriente fuera de rango en el sistema influyen directamente en las perturbaciones del sistema eléctrico.
Variaciones constantes de tensión en valores que generan perturbaciones importantes presentando fallas en el sistema.
Niveles por debajo del factor de potencia permitido debido a la falta de compensación de potencia en el funcionamiento de los equipos.
Generación de armónicos debido a la integración de los inversores de los sistemas fotovoltaicos al sistema eléctrico.
La Figura 8 muestra el esquema unifilar (Desarrollado en Etap) (Etap, 2023) del sistema eléctrico general seleccionado para desarrollar la investigación.
La simulación del flujo de carga en el sistema eléctrico calcula las tensiones en cada uno de los buses y los diferentes factores de potencia (Sousa, 2020; Arteaga, 2021; Espinel, 2020) en cada derivación según el tipo de carga conectada, así como una estimación del flujo de corriente para cada bus simulando el flujo en cada sección de la carga (Newton-Raphson y Gauss-Seidel) (Flores, (n.d.)), primero se selecciona la zona de inicio del flujo de carga para dar los valores de tensión y potencia, así como el porcentaje-edad de funcionamiento en los niveles de tensión, como se muestra en la Figura 9.
Comparativa con otros simuladores de sistemas eléctricos
Se han estudiado otros softwares de sistemas eléctricos como el de Siemens Simcenter que ayuda a optimizar el rendimiento dinámico de los sistemas electromecánicos, analizar el consumo de energía y desarrollar y probar legislación de control para equipos eléctricos en las industrias automotriz, aeroespacial, marina, industrial y de servicio pesado (Marin, 2016). Aprovecha los modelos preconfigurados para baterías, celdas de combustible, convertidores de potencia, actuadores lineales y motores eléctricos para crear cualquier tipo de arquitectura de dispositivo eléctrico. Con el enfoque multifísico, escalable y flexible de Simcenter, se pueden solucionar muchos problemas de ingeniería, como el diseño de sistemas de gestión térmica, la evaluación del rendimiento o eficiencia del sistema con cargas mecánicas o hidráulicas realistas, así como el diseño y validación de los controles (Software de Simulación de Simcenter, 2022).
Por otro lado, el simulador de sistemas eléctricos Famic Technologies Inc. (Automation Studio) enfocado al control eléctrico de motores, donde la biblioteca electrotécnica permite crear, simular y resolver fallas en circuitos eléctricos. Este ofrece un amplio rango de componentes para crear circuitos eléctricos de CA/CD y control eléctrico de motores, desde un nivel básico hasta un nivel avanzado. Contiene los estándares IEC, NEMA, SAE, JIC, herramientas de medición realistas (Gabriel, 2022; Spain, 2019) tales como: Multímetro, pinza del multímetro y osciloscopio; estos pueden utilizarse para reproducir mediciones reales y experiencias para encontrar fallas que mejoren las habilidades de los estudiantes. Activa fallas de componentes utilizando condiciones predefinidas o durante la simulación manualmente con las funcionalidades de resolución de fallas. Los arranques suaves y los variadores de frecuencia de fabricantes (Siemens™, Allen Bradley™, WEG™, etc.) ya se encuentran predefinidos y listos para simular (Famic Technologies: System Design & Simulation Software, 2023).
En comparación con otros softwares de simulación de sistemas eléctricos, Etap (2023) contempla el diseño de diagramas unifilares, diseño de sistemas fotovoltaicos, diseño de sistemas de corriente alterna y corriente directa e integración de generación de aerogeneradores, así mismo permite el cálculo del flujo de carga en todo el sistema eléctrico, generando los datos de corriente, factor de potencia y porcentaje de carga en cada uno de los buses que integran el sistema. También desarrolla la coordinación de protecciones en cada elemento de protección, desde la acometida hasta los circuitos derivados, los cuales generan las gráficas de la forma de onda y arranque de cada sección. Por tal motivo se ha seleccionado como software por la especialidad al tema de investigación aplicado a la industria.
Se tomaron en cuenta cada uno de los datos principales solicitados a la empresa suministradora (CFE), se integraron en cada bloque a partir de la conexión del sistema de alimentación principal como: Potencia de 25 MVA, tensión de alimentación de 13200 Vca, reactancias de 2.498 + 3.123j secuencia positiva y conexión en triángulo. Asimismo, se integraron los elementos de conducción y protección, que en este caso se toman como un alimentador aislante de cobre tipo BusDuct y un fusible para 15 kV a una corriente nominal de 10 amperios, finalmente un transformador reductor principal de 500 kVA con una alimentación primaria de 13200 v y 440 Vac en el secundario, se toman en cuenta los datos del transformador en cuanto a su impedancia y tomas para anexarlos en los datos.
Una vez anexados los datos para el proceso de simulación del flujo de carga, se ejecuta el sistema con el fin de analizar el paso de las corrientes máximas en cada uno de los buses que conforman el sistema, iniciando el análisis desde el fusible principal de protección (Fusible 1) en el lado de alta (13 200 v), se seleccionan en el display (Display Options) las opciones para el estudio del flujo tales como potencia real y potencia aparente, como se representa en la Tabla 2.
Tabla 2 Resultados de corriente y factor de potencia en las condiciones de simulación.
| Equipo | Corriente | Factor de potencia | Forma de onda | |||
|---|---|---|---|---|---|---|
| Transformador T1 Lado de Alta |
Transformador Lado de Baja (Bus 4) |
Transformador T1 Lado de Alta |
Transformador Lado de Baja (Bus 4) |
Transformador T1 Lado de Alta |
Transformador lado de baja (Bus 4) |
|
| Banco de Capacitores (CAP3) |
12.9 |
386.8 |
-93.42 |
-92.17 |
Regular |
Bien |
| Filtro de voltaje y corriente (HF3) |
12.6 |
377.9 |
90.06 |
91.1 |
Mal |
Mal |
| Arreglo del sistema Fotovoltaico(PVA3) |
8.4 |
252.4 |
89.94 |
90.63 |
Regular |
Mal |
| Banco de capacitores (CAP3) y filtro de voltaje y corriente (HF3) |
12.5 |
374.3 |
-76.52 |
-74.56 |
Regular |
Bien |
| Banco de capacitores (CAP3) y Sistema fotovoltaico (PVA3) |
11.5 |
344.2 |
-77.65 |
-75.87 |
Regular |
Bien |
| Sistema fotovoltaico (PVA3) y Filtro de voltaje y corriente (HF3) |
8.7 |
259.7 |
94.21 |
94.81 |
Mal |
Bien |
| Banco de capacitores (CAP3); Filtro de voltaje y corriente(HF3); Sistema fotovoltaico (PVA3) |
12.5 |
374.3 |
-76.52 |
-74.56 |
Regular |
Bien |
Fuente: Elaboración Propia
De la misma manera se analizó el factor de potencia en cada sección (Bus) del sistema, en este caso se decidió realizar el estudio respecto con la potencia real y reactiva (kW + jkvar) (Marsal, 2019; Medina, (n.d.); Polo, 2017) en la sección de alimentación principal y en la sección de máxima carga (Bus 9). En la sección de alimentación de la Figura 10 se observa una potencia real máxima de 246.2 + j142.6 considerando el factor de potencia real (kW + jkvar) 2 +j142.6 donde la potencia real máxima está entre 255 kW, un porcentaje de operación de 97.9 % de la carga total en el Bus 4.
El estudio del flujo de corriente y factor de potencia se realizó analizando los resultados en la acometida principal (Fusible 1, 13200 v) mostrando una corriente máxima de 12.4 amperios y un factor de potencia de 86.53 %, considerando este último muy bajo según los valores definidos por las normativas permitidas de hasta 90 %.
Considerando esta normativa, el valor de la corriente en el bus 4 es de 373.3 amperios y un factor de potencia de 86.53 % como se muestra en la Figura 11.
De acuerdo con la propuesta de desarrollar un sistema de control mediante un sistema automático con contactores y relés con el objetivo de ofrecer un control inteligente económico controlando los parámetros eléctricos de tensión e intensidad (Puebla, 2004; Ramírez, (n.d.)), así como en función de los cambios que se generan por el consumo de las diferentes cargas conectadas (Serra, 2009; Silva, 2009), se desarrolla un algoritmo de control para energizar los elementos necesarios para controlar las variaciones y afectaciones que se puedan ocasionar debido a la fluctuación en el trabajo de los mismos regulando el factor de potencia. El algoritmo de control también pretende integrar el dimensionamiento de un sistema fotovoltaico (Loaeza, 2012), el cual debe contribuir a la regulación de los elementos con mayor carga en el consumo de energía eléctrica, como se muestra en la Figura 12.

Fuente: Elaboración propia
Figura 12 Esquema unifilar propuesto para la conexión de los sistemas de regulación y control.
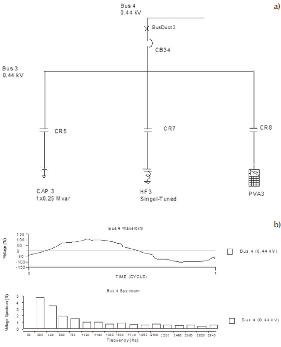
Con el fin de realizar un diseño en el sistema de control y considerando las condiciones de operación en el funcionamiento de equipos que generan perturbaciones en la calidad de energía como se demuestra (Tabla 2), bajo factor de potencia, perturbaciones de tensión y corriente, así como el consumo de energía, se recomienda la conexión de los elementos de regulación tales como: Banco de Capacitores (Kalpaktsoglou et al., 2021) y Filtro de Tensión y Corriente, Sistema Fotovoltaico (Dos Santos et al., 2022; Herrera et al., 2022) de acuerdo con el diseño del sistema de control en la barra 4 (barra principal de 0.44 kV). La Figura 13 muestra los elementos que se integran al bus principal (Bus 4) correspondiente a la conexión bus de todos los equipos.
Dentro de esta propuesta se han considerado integrar las condiciones de operación de los equipos a través del enclavamiento de contactores para control (CR5 Banco de Condensadores, CR7 Filtro de Tensión y Corriente, CR8 Sistema Fotovoltaico, Conectado al Bus 4), los cuales son acondicionados para operar respecto a cada necesidad en la operación de la empresa (Tabla 3).
Tabla 3 Condiciones de funcionamiento y puesta en marcha del equipo.
| Nomenclatura | Equipo | Potencia (w/H.P.) |
Diagrama de control | ||||||
|---|---|---|---|---|---|---|---|---|---|
| a | b | c | d | e | f | g | |||
| CR5/ CAP3 |
CR7/ HF3 |
CR8/ PVA3 |
CR5-CR7/ CAP3-HF3 |
CR5-CR8/ CAP3-PVA3 |
CR7-CR8/ HF3-PVA3 |
CR5-CR7-CR8/ CAP3-HF3-PVA3 |
|||
| Mtr1 |
Mallaciba 1 |
372.5/0.5 |
|
|
|
|
|
|
X |
| Mtr4 |
Mallacriba 2 |
372.5/0.5 |
|
|
|
|
|
X |
|
| Mtr2 |
Straightenera 1 |
8940/12 |
|
X |
|
X |
|
|
|
| Mtr3 |
Straightening machine 2 |
8940/12 |
|
|
X |
|
|
|
|
| Mtr5 |
Bending machine |
7450/10 |
|
X |
X |
|
|
|
|
| Mtr6 |
Compressor |
7450/10 |
|
X |
|
|
|
X |
|
| Mtr7 |
Heavy Drag |
7450_/10 |
|
|
X |
|
|
|
|
| Mtr8 |
Light Drag |
22350/30 |
X |
|
|
X |
X |
|
X |
| Mtr9 |
Straightening |
2235/3 |
|
|
|
|
X |
|
|
| Mtr10 |
Rolling machine |
3725/5 |
|
|
|
|
X |
|
|
| Mtr11 |
Slitter |
3725/5 |
|
X |
|
X |
|
|
|
| Mtr12 |
Drawing machine 1 |
18625/25 |
X |
|
|
X |
X |
|
X |
| Mtr13 |
Drawing machine 2 |
14900/20 |
|
|
X |
|
|
X |
X |
| Mtr14 |
Drawing machine 3 |
11175/15 |
|
|
|
|
|
X |
X |
| Mtr15 |
Drawing machine 4 |
18625/25 |
X |
|
|
X |
X |
X |
X |
| Mtr16 |
Drawing machine 5 |
14900/20 |
|
X |
|
|
|
X |
X |
| Mtr17 |
Drawing machine 6 |
22350/30 |
X |
|
|
X |
X |
X |
X |
| Mtr18 |
pump |
3750/5 |
|
|
|
X |
|
|
|
| Mtr19 |
Geared motor |
7450/10 |
X |
|
|
|
|
|
|
| Mtr20 |
Mallacriba 3 |
2235/3 |
|
X |
|
|
|
|
|
| Mtr21 |
Mallacriba 4 |
2235/3 |
|
|
|
|
|
|
X |
| Mtr22 |
Mallacriba 5 |
186.5/0.25 |
|
|
|
|
|
X |
|
Fuente: Elaboración propia
Resultados y análisis de la simulación
De acuerdo con el análisis de los resultados se puede decir que al implementar el sistema de regulación en el control mediante las combinaciones de trabajo se obtienen mejores resultados en cuanto a las fluctuaciones de corriente-tensión y el factor de potencia superior al del transformador principal. El filtro de tensión y corriente (HF3) junto con la disposición del sistema fotovoltaico (PVA3) presenta mejores condiciones de calidad de potencia tanto en el lado de alta del transformador T1 como en el lado de baja en el bus 4. Asimismo, cuando se realiza el análisis para generar el control en los demás elementos en general, se presentan perturbaciones tanto en el factor de potencia como en la tensión-corriente.
Casos prácticos de simulación
Caso práctico 1-7. Según el esquema de automatización, energizando solo la batería de condensadores
Como se muestra en la Figura 14a y b, al energizar solamente el banco de condensadores (CAP 3) (Figura 14a), obtenemos que la corriente en el bus de alimentación del lado primario del transformador principal T1 (13200 v) logra una corriente de 12.9 amp y un factor de potencia de -93.42 % - 42 %, asimismo los resultados en el lado de baja del transformador T1 obtuvieron una corriente de 386.8 amp y un factor de potencia de -92.17 %, lo que indica que hay mayor presencia de trabajo de carga inductiva de acuerdo con el signo negativo del factor de potencia.

Fuente: Elaboración propia
Figura 14 Comportamiento del automatismo que opera la batería de condensadores.
Las características finales en cuanto a la formación de la onda final son regulares, como se muestra en la Figura 14b.
Caso 2-7. Según el esquema de automatización, energizando solo el filtro de tensión y corriente
Energizando solamente el filtro de tensión y corriente (Figura 15a) podemos observar una corriente en el lado de alta del transformador T1 de 12.6 amperios y un factor de potencia de 90.06 %, de la misma forma, en el lado de baja del transformador T1 se registraron datos con una corriente de 377.9 amperios y un factor de potencia de 91.1 %. Las características finales en cuanto a la formación de la onda final son irregulares como se muestra en la Figura 15b.
Caso práctico 3-7. Según el esquema de automatización, energizando solo el Fotovoltaico
De acuerdo con el sistema de control, cuando se cumplen las condiciones para energizar el sistema fotovoltaico, los resultados se obtienen con una corriente en el lado de alta del transformador T1 de 8.4 amperios y un PF de 89.94 %, y en el lado de baja del transformador T1 con una corriente de 252.4 amperios y un PF de 90.63 % (Figuras 16a y b). La formación de la onda final es irregular como se muestra en la Figura 16b.
Caso 4-7. Según el esquema de automatización, energizando la batería de condensadores junto con el filtro de tensión y corriente
Los datos registrados en la simulación se realizan conectando la batería de condensadores (CAP3) junto con el filtro de tensión y corriente (HF3) (Figura 17a) para analizar la corriente en el lado de alta del transformador principal T1 de 13.8 amperios y un Factor de Potencia de -90.03 %. Los datos registrados en el lado de baja del transformador T1 son de 413.2 amperios y un factor de potencia de -90.56 %, lo que indica una mayor carga inductiva. La formación de la onda final es regular como se muestra en la Figura 17b.
Caso práctico 5-7. Según el esquema de automatización, energizar la batería de condensadores junto con la fotovoltaica
Simulación de control del sistema energizando los dos elementos al mismo tiempo la batería de condensadores CAP3 y el sistema fotovoltaico PVA3 simultáneamente para analizar el comportamiento de las principales variables, como se muestra en la Figura 18a. Hemos tenido en cuenta los datos registrados según la simulación mencionada anteriormente para determinar la corriente, en primer lugar, en el lado de alta del transformador principal T1, que es de 11.5 amperios y un FP de -77.65 %, y en el bus 4 una corriente de 344.2 amperios y un FP de -75.87. La formación de la onda final es regular como se muestra en la siguiente Figura 18b.
Estudio de caso 6-7. De acuerdo con el esquema de automatización, energizar el filtro de tensión y corriente junto con el fotovoltaico
Al energizar al mismo tiempo los sistemas de regulación de tensión y filtro de corriente, así como el sistema fotovoltaico como se muestra en la Figura 19a se pueden obtener datos de corriente y factor de potencia en el lado de alta del transformador T1 de 8.7 amperios y un FP de 94.21 % y en el bus 4 de 259.7 amperios y un factor de potencia de 94.81 %. La formación de la onda final es regular como se muestra en la Figura 19b.
Caso 7-7. Según el esquema de automatización energizando los tres elementos: Banco de condensadores, sistema fotovoltaico, filtro de tensión y corriente
Una vez energizados los tres elementos de control (Figura 20a), se tomaron lecturas de corriente y factor de potencia en el lado de alta del transformador T1 de 12.5 amperes y un PF de -76.52 %; de igual forma se tomaron datos en el lado de baja del transformador T1 de 374.3 amperes y un PF de -74.56 %. La formación de la onda final es regular como se muestra en la Figura 20b.
Conclusiones
De acuerdo con el análisis desarrollado en la simulación del sistema eléctrico integrando el control de calidad de energía con la automatización de los equipos, respecto a la simulación y siguiendo el flujo de carga para cada caso, se han generado las siguientes observaciones:
Cuando solo funcionaba la batería de condensadores, el factor de potencia mejoró hasta 93.42 %. Esta mejora del factor de potencia también permitió controlar las características de las fluctuaciones de corriente.
Cuando funcionan ambos sistemas de control, el sistema fotovoltaico junto con el filtro de tensión y corriente, mejora el factor de potencia hasta 94.21 % reduciendo las fluctuaciones de tensión y corriente, lo que da lugar a una forma de onda más estable en el bus 4.
Una de las aportaciones significativas del análisis reside en la interacción del esquema de control. Una mejora importante, en comparación con otras contribuciones de investigación, se consigue energizando los sistemas de control de tensión y filtro de corriente simultáneamente con el sistema fotovoltaico. Este enfoque integrado conduce a resultados notables, como una corriente de 8.7 A y un factor de potencia del 94.21 % en el lado de alta del transformador T1 y una corriente de 259.7 A y un factor de potencia de 94.81 % en el bus. La formación de la onda final es regular, lo que indica que este esquema operativo es una de las contribuciones más eficaces al control del sistema.
La innovación desarrollada en esta investigación fue que, a través de la simulación de sistemas eléctricos que integran sistemas fotovoltaicos a la red, así como la automatización de los elementos de control, se pueden realizar las condiciones de operación de la calidad de la energía para identificar áreas de oportunidad de mejora en el sistema eléctrico e implementar acciones correctivas. Mediante la identificación de acciones de mejora se pueden reducir los costes de consumo de energía, así como optimizar el funcionamiento de los equipos y mejorar el mantenimiento. El análisis de la bibliografía se centró en otros temas de mejora, como la optimización interna de los filtros de tensión y corriente, la mejora de los inversores conectados a la red de los sistemas fotovoltaicos y la supervisión en tiempo real del sistema.

































