Introducción
El primer problema que se abordará en este trabajo es la generación de desechos que comúnmente no se reciclan. El Programa de Naciones Unidas para el Medio Ambiente y la Asociación Internacional de los Residuos Sólidos indica que la gestión inadecuada de la basura es un problema global para la salud, la economía y el medio ambiente. En ese contexto, China ocupa el primer lugar en desechos orgánicos a nivel mundial seguido de México, que ocupa el segundo lugar en la generación de residuos con 60 % de restos inorgánicos y 40 % de desechos orgánicos, pronosticando que aumentará hasta un 70 % para el año 2050 (Tuck, 2018).
Los desechos alimenticios son los que menos se reciclan y comúnmente se disuelven con otros desperdicios que finalmente se convierten en focos de contaminación o infección, así como en grandes problemas ambientales de diversa índole, los cuales van desde olores desagradables hasta una contribución al aumento de la temperatura global. Asimismo, algunos de esos gases como el amonio (NH4), dióxido de carbono (CO2) y el monóxido de carbono (CO), tienen un efecto directo nocivo sobre la salud humana.
El incremento de la producción de residuos está directamente relacionado con el aumento de población, y en México, no se tiene la cultura de separar, reciclar y aprovechar los residuos orgánicos para generar nuevos productos, ya que únicamente se reciclan entre 19 % y 23 % (Tuck, 2018).
El desperdicio de alimentos y la generación de residuos orgánicos representan un grave problema ambiental y de salud, ya que al no ser bien manejados terminan descomponiéndose en tiraderos o rellenos sanitarios liberando gases tóxicos de efecto invernadero, lixiviados, es decir, que su descomposición genera gases que producen el efecto invernadero, incluidos dióxido de carbono y metano, los cuales comúnmente llegan a vertederos donde los residuos orgánicos se descomponen.
De la misma forma, con la mezcla de agua de lluvia y otros desechos líquidos se produce una substancia conocida como aguas de lixiviación, la cual se acumula en la parte inferior de los vertederos y llega a filtrarse hasta llegar a aguas subterráneas, contaminándolas.
Analizando lo expuesto, existen alternativas creativas para el reciclaje efectivo, donde investigadores experimentan con desechos orgánicos como cáscaras de nuez, cacahuate, arroz, paja de trigo, etcétera; así como fibras de coco, bambú, ramio, yute, curará, sisal, cabuya, abacá, lino, palma, formio y hojas secas de los árboles para la obtención de materiales compuestos (Llanes, 2019; KP ashik, 2015; Montufar & Remache, 2021; Prince & Retman, 2018).
Un material compuesto es la combinación de dos o más materiales que tienen propiedades diferentes a la simple suma de cada uno de sus componentes. Estos materiales han presentado muchas ventajas sobre los convencionales. Por esta razón se han desarrollado materiales compuestos de tipo metálico, cerámico y poliméricos (Olivares, 2003).
Los materiales compuestos no se inventaron por el ser humano, ya que existen varias evidencias que demuestran su existencia dentro de la naturaleza, un claro ejemplo es el cuerpo humano, en este se encuentran materiales que ofrecen resistencia y soporte (huesos) así como materiales flexibles y ligeros (nervios, músculos y tendones), los cuales unidos producen una gran cantidad de funciones que no podrían lograrse por separado.
También la madera constituye un ejemplo de material compuesto, ya que está constituido por armaduras de fibra de celulosa envueltas en una matriz de resinas naturales dándole a la planta las características necesarias para su soporte y el desarrollo de la misma. En la Tabla 1 se muestran algunas aplicaciones.
Tabla 1 Materiales compuestos
| Material | Matriz | Fibras y refuerzo | ||
|---|---|---|---|---|
| En la naturaleza |
Madera |
Resinas naturales |
Fibra de celulosa |
|
| En el cuerpo humano |
Huesos |
Cemento cálcico |
Fibra de colágeno |
|
| Invención humana para la construcción |
Antigüedad |
Adobe |
Barro |
Paja |
| Modernas |
Yeso armado |
Yeso |
Crines de caballo |
|
| Hormigón armado |
Hormigón |
Armadura de acero |
||
| Amianto cemento |
Mortero de cemento |
Amianto |
||
| Morteros y hormigones fibrosos |
Mortero |
Acero, vidrio, poliméricas, carbono, vegetales |
||
| Hormigón | ||||
| Yeso armado |
Yeso |
Vidrio, poliméricas, vegetales |
||
| Composites |
Resina |
Vidrio, poliméricas, carbono, aramida. |
||
| Morteros poliméricos | Resina | Áridos | ||
Nota. Tomado de Olivares (2003)
Una de las principales aplicaciones donde se ha presentado la utilización de materiales compuestos es en la construcción de edificaciones, desde el inicio de la humanidad y con el desarrollo de las civilizaciones se encontró siempre presente la necesidad de crear construcciones más grandes y complejas, donde se ejecutaron actividades necesarias para los habitantes.
Desde las culturas egipcia y mesopotámica, así como en las siguientes, se enfocaron en obtener mezclas de materiales compuestos con los que pudieran adherir piedra con piedra y formar las pirámides y templos que se encuentran en el antiguo Egipto, así como en lugares circundantes (Freijeiro, 1989). El adobe fue uno de los primeros materiales compuestos fabricados por el hombre, elaborado a partir de barro y una armadura a base de paja, desde ese momento, las propuestas de mezclas de estos compuestos no se detuvieron hasta alcanzar en la actualidad características necesarias para construir edificaciones sumamente grandes y complejas como rascacielos, estadios de futbol, naves industriales y puentes internacionales, entre otras (Olivares, 2003).
Las aplicaciones de los materiales compuestos no se han limitado al sector de la construcción, estos se han diversificado, proporcionando aportaciones importantes en la industria automovilística, naval, aeronáutica, aeroespacial, electrónica, militar, eléctrica y de material deportivo, reemplazando a los metales y otros materiales en muchas aplicaciones. La utilización de fibras como material compuesto ha permitido un gran avance ecológico en la fabricación de compuestos amigables con el medio ambiente (Cruz et al., 2006; Campbell, 2010; Majewski, 2013; Dietrich, 2005).
Para el desarrollo del presente trabajo se analizaron investigaciones significativas de matrices poliméricas, entre ellas se destacan las siguientes: Fabricación de madera plástica a partir de un material compuesto de paja de trigo como material de refuerzo y una matriz polimérica de resina epóxica, utilizando una prensa de platos calientes para la obtención de una placa plástica de formulación óptima de la paja y estructura uniforme, homogénea y textura fina (García et al., 2013). También se examinó la fabricación de un material compuesto a base de fibra de cascarilla de arroz y una matriz poliéster para la fabricación de estibas, donde se observaron buenos resultados, los cuales se obtuvieron mediante ensayos de flexión y microscopio (Sánchez, 2018). Se analizó el estudio de la fabricación de un tablero de bambú prensado y tejido de manera ortogonal para la obtención de madera laminada y así reemplazar la madera tradicional, para ello se realizaron diversos ensayos mecánicos (Lena et al., 2008). A nivel mundial se siguen realizando aportaciones de materiales compuestos de matriz polimérica reforzados con fibras naturales y sintéticas a fin de sustituir los materiales convencionales con mejores propiedades físicas.
Aunque actualmente existe una gran variedad de alternativas para recubrimiento de pisos en interiores, como losetas, cerámicas, mármol, madera y barro, entre otras, la mayoría de estas poseen características similares, por lo que en algunas se poseen las mismas deficiencias, es decir, baja resistencia a los impactos, así como un promedio de vida corto, lo que provoca la renovación del recubrimiento en un corto plazo (Silva, 2008).
El objetivo de esta investigación fue desarrollar un prototipo de material compuesto de matriz polimérica con refuerzo de fibra de coco, con el fin de analizar las características mecánicas del material y su aplicación al sector de la construcción en la fabricación de una baldosa, para ello, se fabricaron probetas con varias composiciones de fibra y matriz que se sometieron a ensayos, los cuales permitieron comprobar la resistencia del material compuesto.
El resto del articulo está organizado de la siguiente manera, en la sección tres se describe detalladamente el proceso de obtención de las mezclas, así como las pruebas realizadas para la caracterización del material compuesto, en la sección cuatro se analizan los resultados obtenidos de la metodología propuesta y finalmente las conclusiones del material compuesto.
Desarrollo
En esta sección se describen las características, materiales y procedimientos empleados para la obtención de la matriz, preparación de la mezcla fibra/matriz, la fabricación de las probetas, así como la normativa aplicada para la evaluación de las propiedades mecánicas del material compuesto y su análisis.
Como se puede observar, el reciclaje efectivo contribuirá en gran medida al cuidado del medio ambiente, por tal motivo, el primer paso consistió en analizar y seleccionar desechos orgánicos que comúnmente no se reutilizan, como las cáscaras de naranja y el olote.
En México, el maíz es el cultivo más representativo y se utiliza para el consumo humano, el maíz amarillo se destina a la industria o a la fabricación de alimentos balanceados. México se encuentra entre los principales países importadores mundiales de grano, ocupando el 8° lugar en producción mundial y el 10° exportador de grano de maíz. Al separar el grano de la mazorca únicamente queda el desecho orgánico conocido como olote que se considera un residuo agrícola y que comúnmente no se recicla. En promedio, cada tonelada de maíz genera 170 kg de olote, es decir, 144 millones de toneladas aproximadamente en un año.
En algunos casos, los agricultores lo reducen a cenizas provocando contaminación ambiental al ser incinerado, esta acción genera 40 % del dióxido de carbono (CO2) el cual contamina nuestro ambiente (Nacional, 2016).
De igual manera, los cítricos se consideran como principales productores para su exportación en México por ser frutos de alto consumo, ocupando el segundo lugar a nivel mundial junto con el limón (12.29 %), (Nacional, 2016). Asimismo, la naranja fue el cultivo con mayor superficie de siembra en 2016 (335,336 hectáreas) y la toronja, considerada como el tercer productor a nivel mundial.
Respecto a este tema, al separar el endocarpio o pulpa de las naranjas, por ejemplo, únicamente queda el exocarpo y mesocarpo, lo que constituye la cáscara o corteza considerada como residuo agrícola, el cual comúnmente se recicla en un porcentaje mínimo. Este residuo se produce en grandes cantidades a nivel mundial, no obstante, la cáscara de naranja se desecha al no ser procesada adecuadamente, generando una gran contaminación en el agua, suelo y aire, que afecta los recursos naturales.
De esta forma, el principal problema de los residuos sólidos de la naranja es la alta fermentabilidad debido a su alto contenido de carbohidratos, los cuales aceleran su degradación y generan mal olor. Al mismo tiempo, debido a su alto contenido de materia orgánica, restringe su eliminación directa, lo que afecta la flora microbiana natural y beneficiosa del suelo.
Por otro lado, México es uno de los principales productores de coco a nivel mundial con 94,168.5 hectáreas en diversos estados de la Región Pacífico Sur: Costas de Guerrero, Colima, Oaxaca, Michoacán, Sinaloa, Jalisco y Chiapas. El coco se aprovecha para la elaboración de dulces tradicionales, envasado de agua y la producción de aceites, no obstante, su fibra comúnmente se desperdicia a pesar de que cuenta con una gran resistencia, por lo que surge la importancia de trabajar en ella, (Desarrollo, 2017).
Bajo esa premisa, en este trabajo se aprovecharon los desechos de la cáscara de naranja, olote y fibra de coco que comúnmente no se reciclan para la obtención de las mezclas (Figura 1).
Posteriormente se realizó el proceso de deshidratación de desechos orgánicos, este consistió en eliminar la humedad paulatinamente a través de un calentamiento controlado, utilizando un destilador solar para reducir el tiempo de secado (Figura 2).
A continuación, se realizó el proceso de tamizado que consistió en triturar y tamizar los desechos utilizando un molino manual para maíz por el método de tamizado o cribado fijo, el cual consistió en separar los materiales de una mezcla de sólidos por diferencia de tamaño de sus partículas, utilizando telas y láminas perforadas.
Se tamizaron los desechos de la cascara de naranja utilizando un tamiz de 0.125 mm (120 mesh) y la fibra del olote con 0.150 mm (100 mesh), en ambos casos se obtuvo un polvo fino. Los tamices se clasificaron según el número de mallas o agujeros que poseen en una superficie de una pulgada lineal, un tamiz solo puede separar la muestra en dos fracciones, la que atraviesa los poros del tamiz y la que queda retenida en él, por ello se organizó de mayor a menor tamaño de los poros, se colocó el material a separar y por medio de sacudidas o vibraciones se hicieron pasar los materiales a separar; durante el tamizado los granos más gruesos fueron retenidos en los tamices, cuyos poros tienen mayor diámetro y los más finos fueron pasando por los demás tamices (Figura 3).
Se registraron las masas de cada una de las muestras para conocer los porcentajes ideales para la mezcla, así como para dar homogeneidad a los desechos (Figura 4).
Con la finalidad de diseñar las probetas se aplicaron las normas ASTM por la sociedad americana para el Ensayo de Materiales (American Society for Testing Materils), descritas en la Tabla 2 y Figura 5 (Newell, 2011). Para la fabricación de los moldes se utilizó una impresora 3D marca Flashforge con el programa de diseño Tinkercad (https://www.tinkercad.com/) AUTODESK (2023).
Tabla 2 Normativa básica empleada para ensayos
| Norma | Prueba | Standard | Aplicación |
|---|---|---|---|
| ASTM-D790 |
Flexión |
Standard Test Method for Flexural Properties of Polymer Matrix Composite Materials |
Métodos de ensayo para determinar la flexión y las propiedades mecánicas de compuestos de matriz polimérica (Charles, 2015) |
| ASTM-D7805 |
Dureza |
Standard Test Method for hardness of Plastics |
Método para evaluar la resistencia de un material a la deformación mediante la penetración de un material más resistente (Bill, 2015) |
| ASTM-D570 | Absorción al agua | Standard Test Method for Water Absorption of Plastics |
Método de ensayo para determinar la absorción de agua de un material (Griese, 2012) |
Los Compuestos en Matriz Polimérica (CMP) se basan en combinar materiales de orígenes variados con la finalidad de mejorar sus características, tales como la resistencia a la oxidación, bajo peso y ductilidad.
El proceso de manufactura que se utilizó para el tipo de material compuesto fue el vaciado, el cual consiste en cargar dicho material en el molde permitiendo que endurezca y cure, de esa forma se obtuvieron las probetas de ensayo que se utilizaron para realizar las pruebas mecánicas. Se adicionó cera desmoldante para que la pieza no se deformara a la hora de extraerla, se utilizó un mezclador mecánico tipo taladro a una velocidad máxima de 630 rpm donde se agregaron los desechos de cáscaras de naranja, olote y fibra de coco que fueron mezclados con diferentes porcentajes en peso de la mezcla de resina epoxi-catalizador y aglutinante para evitar las burbujas que ocasiona la mezcla. De esa forma, se propusieron los porcentajes de 60 % desechos orgánicos y 40 % resina, catalizador y carbonato de calcio con base en la regla de las mezclas para compuestos reforzados por fibras (Cedeño, 2019). Esto se realizó a temperatura ambiente y bajo una exposición al sol con un período de1 hora 30 minutos para finalmente retirar la pieza del molde, como se ilustra en la Figura 6.
Se caracterizó el material mediante la evaluación de las propiedades mecánicas a partir de ensayos destructivos, obtenidos a través del análisis de las muestras del material con las que se sometieron las pruebas para conocer su comportamiento. Así también, con el apoyo del equipo apropiado, el cual permitió el análisis del material expuesto, ofreciendo resultados para su aplicación.
Prueba de resistencia mecánica
Se realizó la prueba de resistencia mecánica aplicando contacto a las muestras, donde se reveló el desgaste superficial tomando dos probetas para este tipo de ensayo bajo la norma ASTM D1044-13 (Griese, 2013), así se inició la selección correcta de la herramienta y de las condiciones de corte y taladrado (velocidad de corte, velocidad de avance, profundidad de pasada). El proceso de maquinado se llevó a cabo mediante una cortadora automática de disco de esmeril de 7 ½ pulgadas Marca Truper CM-14N, 14” y para la prueba de taladrado se utilizó una herramienta de banco marca TRUPER TAPI-8 de 1/2" X 8", 1/3 HP. Se tomaron dos probetas y se les realizó el maquinado de corte, considerando como variable la velocidad de avance y la profundidad de pasada. Para el caso de maquinado de taladrado se fijaron los valores de velocidad de corte y velocidad de avance, midiendo como variable la fuerza aplicada para lograr la velocidad de avance propuesta, utilizando herramientas de corte (brocas) de acero rápido, de cobalto de punta cónica y punta cigüeñal con diferentes diámetros de hasta 12.7mm creando agujeros circulares para este proceso y así determinar las características del material (Figura 7).
Prueba de dureza
La dureza es una propiedad compuesta que combina conceptos de resistencia a la penetración, rayado, daño superficial, etcétera. En plásticos, generalmente se basa en la penetración de un punzón haciendo presión en un área del plástico en carga constante. Las unidades de dureza derivan de la profundidad, ancho o área de la indentación realizada. Se hallan diversas escalas, entre ellas, Brinell, Rockwell y Vickers son las más comunes. Se realizó el ensayo de dureza mediante un durómetro digital tipo Shore D, el cual es un instrumento para ensayo de dureza tipo D de geometría de punta con ángulo de 120°, este procedimiento se realizó bajo la norma ASTM D2240 (Griese, 2015). El ensayo consistió en obtener una medida de la resistencia de la superficie del material a través de la penetración del objeto, el cual se llevó a cabo mediante el siguiente procedimiento: Se preparó la muestra dejando la superficie plana y limpia, se presionó el identador en la probeta con la carga de ensayo previa hasta alcanzar la profundidad, seguidamente se aplicó la fuerza de ensayo adicional de carga durante un tiempo determinado de aplicación y el identador penetró en la probeta hasta la profundidad máxima. Tras finalizar el tiempo de aplicación se retiró la fuerza hasta la sesión inicial con la fuerza total de ensayo, realizando una recuperación elástica de la profundidad de identación, evaluando la huella después del ensayo, como se muestra en la Figura 8.
Para este ensayo se analizó la impresión de la huella que queda grabada sobre la probeta para conocer la dureza mediante la impregnación de penetrador diamante en forma de pirámide, con una base cuadrada de un ángulo de 136° entre las caras, se analizaron diferentes materiales (cargas) que se agregan para mejorar las propiedades en polímeros como procesamiento y comportamiento mecánico, por ejemplo talco, carbonato de calcio, cuarzo, alúmina trihidratada, grafito, sílicas y fibra de vidrio, con el fin de encontrar la mejor asociación de carga-matriz, utilizando el carbonato de calcio con diferentes concentraciones para esta prueba (5 %, 10 %, 15 %, 20 %, 25 %, 30 %).
Prueba de flexión
El ensayo se llevó a cabo mediante las condiciones de la norma ASTM D790 (Charles, 2015) con ayuda de la máquina universal de ensayos. Este método de ensayo determina la resistencia a la flexión y propiedades de resistencia de un compuesto de matriz polimérica. El procedimiento aplicado corresponde a un sistema de carga a tres puntos utilizando una carga central en una viga con apoyos simples.
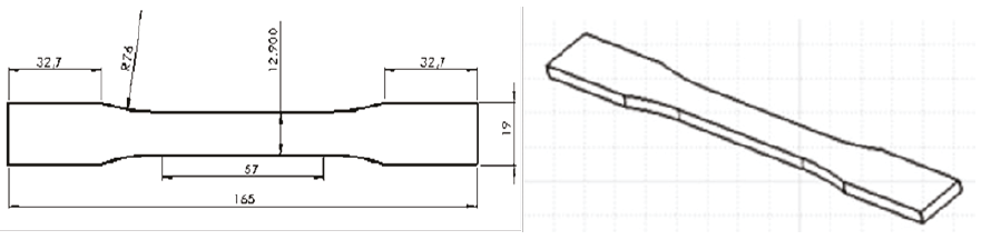
Las propiedades de flexión determinadas por este método de prueba son especialmente útiles para fines de control de calidad y especificación. Los materiales de estudio se encuentran en la clasificación de materiales termoplásticos moldeados. Por lo anterior, se usaron probetas planas con dimensiones de 165 × 13 × 7 mm (Largo × Ancho × Espesor) utilizando diferentes concentraciones de desechos orgánicos, iniciando desde 0 % hasta 60 %. Del mismo modo, la velocidad de deformación de la carga se estableció en un valor 2.13 mm/min, a causa de la geometría de la pieza, como se ilustra en la Figura 9.
Prueba de absorción
El ensayo consistió en analizar el contenido de humedad existente en el material compuesto al sumergirlo en agua durante un período de tiempo. Se utilizaron 5 probetas de ensayo con diferente concentración de material orgánico con valores de 0 % hasta 25 % y fabricadas bajo la norma ASTM-D570 (Griese, 2012). Esta prueba se aplica por la relación del peso, la probeta saturada de agua y la probeta sin absorción de agua, debido a que todos los materiales poliméricos orgánicos absorben la humedad. El ensayo consistió en el secado de una probeta a un peso constante para posteriormente sumergirlo en agua durante un tiempo específico y aplicando la fórmula siguiente (Adamson, 1997):
Donde:
Ws = Masa saturada (g) de la muestra
Wd = Masa húmeda (g) de la muestra
Utilizando las probetas de la prueba anterior se realizó el cálculo de la densidad utilizando su peso y el volumen de cada una.
Discusión y análisis de resultados
En el estudio de las propiedades mecánicas de corte se observó que al realizar la prueba no sufrió alteraciones significativas como roturas, fisuras, entre otras, por lo que demuestra que es un material compuesto resistente (Tabla 3, Figura 10).
Tabla 3 Parámetros para el maquinado de corte
| Velocidad de corte Vc= rpm | Profundidad de pasada (mm) |
|---|---|
| 2000 | 1.2 |
| 3000 | 1.8 |
| 5000 | 1.5 |
| 8000 | 1.5 |
| 9500 | 2 |
| 14400 | 3 |
En relación con el ensayo de taladrado se observó que presenta excelentes características de resistencia al soportar todos los barrenos realizados, utilizando herramientas de penetración con diferentes diámetros sin ninguna dificultad, asimismo, la superficie del material presentó un buen acabado en sus superficies. En la Tabla 4 y Figura 11 se muestran los resultados obtenidos.
Tabla 4 Parámetros para el maquinado taladrado
| Velocidad Vc= rpm |
Velocidad de avance (Vf= mm/rev) |
Torque (Nm) |
|---|---|---|
| 1200 | 60 | 0.12 |
| 1200 | 90 | 0.16 |
| 1200 | 120 | 0.19 |
| 1800 | 90 | 0.05 |
| 1800 | 135 | 0.15 |
| 1800 | 180 | 0.18 |
| 2400 | 120 | 0.08 |
| 2400 | 180 | 0.13 |
| 2400 | 240 | 0.15 |
De esta manera se puede observar como a mayor velocidad de avance el torque necesario va aumentando, pero al aumentar la velocidad de revoluciones el torque necesario para el corte disminuye.
Con la prueba de dureza se observó que la probeta con desechos orgánicos y contenidos de carbonato de calcio mayores a 15 % el material es totalmente rígido, es decir, que al incrementar el contenido pierde plasticidad e incrementa su rigidez y arriba de 25 % incrementa su rigidez y fragilidad como se visualiza en la Tabla 5 y Figura 12.
Tabla 5 Dureza promedio
| % Carbonato de Calcio (CaCO3) |
Dureza Promedio HD |
Desviación estándar |
|---|---|---|
| 5 | 33.5 | 0.71 |
| 10 | 34.5 | 2.32 |
| 15 | 37.5 | 0.96 |
| 20 | 36.2 | 0.83 |
| 25 | 35.4 | 0.81 |
| 30 | 38.2 | 0.71 |
En la gráfica de la Figura 13 se muestran los resultados del ensayo de flexión, se observa que la probeta sin materiales orgánicos presentó un esfuerzo máximo de flexión de 15.1 MPa y al incrementar el porcentaje de materiales orgánicos el esfuerzo máximo va disminuyendo hasta llegar un valor aproximado de 5 MPa. Este comportamiento muestra que a mayor porcentaje de material orgánico aumenta la flexibilidad del material compuesto.
En la Figura 14 se muestran los resultados del ensayo de absorción de agua para materiales compuestos con diferentes porcentajes de materiales orgánicos. En la gráfica se observa cómo el material con porcentaje de 0 % empieza a absorber agua hasta después de 96 horas, a diferencia de los materiales compuestos que tienen absorción desde las primeras 24 horas, sin embargo, esta absorción es menor a 3 %. Esto muestra cómo se hereda la propiedad hidrofílica de los materiales orgánicos y se ve regulada por la propiedad hidrofóbica de la matriz.
Los resultados obtenidos del ensayo de densidad se muestran en la Figura 15, donde se puede observar que el material con 0 % de materiales orgánicos tiene un promedio de 4.9 g/cm3 de densidad, al aumentar el porcentaje de materiales orgánicos la densidad baja hasta aproximarse a 0.55 g/cm3. Este ensayo muestra cómo el porcentaje de materiales orgánicos modifica la densidad del material compuesto.
El estudio del material compuesto determina las propiedades para determinar su aplicación apropiada para recubrimiento de interiores.
Con base en el proceso de tamizado mediante el análisis de las probetas se determinó que presentó un alto grado de homogeneidad debido al tamaño de los tamices óptimos de 1 a 2 mm.
Conclusiones
De acuerdo con los estudios obtenidos, la caracterización de material compuesto de matriz polimérica para la fabricación de recubrimiento-baldosa dio como resultado:
La mezcla de fibra y matriz de desechos orgánicos en peso de partículas y la fibra de coco mejoraron la propiedad de dureza del compuesto con 30 % de matriz, 10 % de CaCO3 y 60 % de desechos orgánicos, demostrando su eficacia al mejorar la resistencia del material y señalando que proporciones arriba de estos suelen ser perjudiciales para el aumento de tenacidad.
A partir del análisis de las pruebas mecánicas se determinó que a medida que incrementa el porcentaje de partículas de fibra de coco, aumenta la flexibilidad y disminuye la densidad, así como la porosidad.
Al realizar la caracterización de corte y perforación se observó que no se producen fisuras de laminación, entre otras, además de presentar buen acabado, por lo que puede utilizarse en aplicaciones domesticas como la fabricación de muebles (sillas, mesas, pisos y recubrimiento en paredes para interiores) considerando que la implementación de desechos orgánicos agrícolas constituye alternativas viables debido a su disponibilidad ilimitada y bajo costo.
Para la resistencia del material se tomaron en cuenta los datos obtenidos de la medición de la superficie de las probetas de ensayo, considerando el promedio de dureza de 35.8 HD, esto se debió a la aplicación de carbonato de calcio en la matriz polimérica que indicó que a partir de 5 % incrementa la rigidez. Esta propiedad hace que el compuesto sea adecuado en la parte interior de una casa para múltiples aplicaciones donde se requiere la implementación de materiales con buenas características.
En relación con la prueba de absorción se demostró que el material suele ser menor a 3 %, lo que significa que hereda la propiedad hidrofílica de los materiales orgánicos.
Se observa en la gráfica de la Figura 12 que existe de forma general un aumento en la dureza Shore D conforme aumenta el % CaCO3, de forma particular existe una ligera caída de dureza de 15 % a 25 % y esto se debe a que los porcentajes de los desechos orgánicos son mayores debido a que es sumamente difícil pesar proporciones muy pequeñas de estos materiales ligeros en comparación con el CaCO3. Sin embargo, de forma general podemos corroborar el aumento de la dureza como se esperaba.
Actualmente en el mercado no existe una loseta de matriz polimérica de desechos orgánicos disponible para uso comercial, sin embargo, sí hay estudios sobre propuestas del uso de material compuesto en la fabricación de losetas para la implementación de pisos industriales en las que se destaca la presencia de una alta eficiencia en relación con la resistencia, y esto se debe a la influencia del uso de las fibras que se utilizan.






























